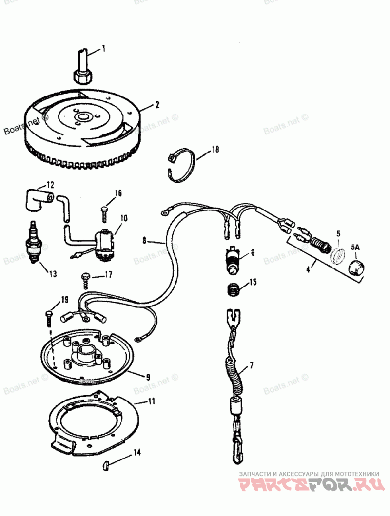
Ignition System (ser. # E035000 Thru E090399)

Force H0152B89A

Force
#oem кодцена
1
F681091
Гайка
2
824380T
Деталь FLYWHEEL (PAINTED)
4
824440A6
Деталь SWITCH ASSEMBLY-STOP
5
824466A3
Деталь COVER KIT-STOP SWITCH
5A
824915
Деталь BEZEL-STOP SWITCH COVER
6
F687287
Деталь SWITCH-EMERGENCY STOP
7
819399A1
Деталь LANYARD ASSEMBLY
8
819379A5
Деталь HARNESS ASSEMBLY-ENGINE STOP
9
819305T
Деталь PLATE-STATOR
11
819758T
Деталь CAM-THROTTLE
12
FK1123
Деталь BOOT KIT-SPARK PLUG (SOFT RUBBER STYLE)
13
813423
Деталь SPARK PLUG (9.9)
13
813414
Деталь SPARK PLUG (15)
13
SEEDESC.
Деталь SPARK PLUG (9.9) (RFI) (CHAMPION # RL87YC)
14
F4584981
Шпонка
15
F681188
Деталь NUT-STOP SWITCH SLEEVE
16
824353
Деталь SCREW (8-32 X 3/4")
17
824352
Деталь SCREW (10-24 X 3/8")
18
56762
Деталь CABLE TIE (4")
19
824358
Деталь SCREW (10-24 X 1/2")