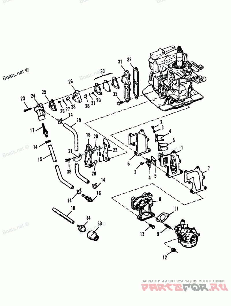
Fuel System (88a-92b & Ser. # E000001 Thru E127699)

Force H0093S89A

Force
#oem кодцена
1
FA715158
Деталь PLATE ASSY (9.9)
1
FA424158
Деталь PLATE ASSY-REED (9.9) (90A/91B)
1
FA619158
Деталь PLATE ASSY-REED (9.9) (88A/89A)
2
28430
Деталь SCREW (6-32 X 1/4")
3
F1704
Деталь LOCKWASHER (#6 INTERNAL)
4
F715161
Деталь STOP (9.9)
4
F424161
Деталь STOP-REED (9.9) (90A/91B)
4
F6191611
Деталь STOP-REED (9.9) (88A/89B)
5
F311602
Деталь REED
6
F2861591
Деталь GASKET-REED PLATE
7
F715168
Деталь GASKET-MANIFOLD
8
FA714167
Деталь MANIFOLD KIT (9.9) (91C/92B & SER.#E000001-E127699)
8
FA424167
Деталь MANIFOLD KIT (9.9) (88A/91B)
8
FA715167
Деталь MANIFOLD KIT (15) (90C/92B & SER.# E000001-E127699)
9
826622
Деталь STUD (1/4-20 X .91") WITH DRI LOC-CARBURETOR
11
F18906
Деталь GASKET-CARBURETOR (9.9)
11
F715906
Деталь GASKET-CARB (15) (90C/92B& SER.# E000001 - E127699)
12
20890
Деталь NUT (1/4-20)
13
28668
Деталь SCREW (1/4-20 X 7/8")
14
F2706772
Зажим
16
F1977672
Деталь CONNECTOR-FUEL (89B/92B & SER.#E000001 - E127699)
17
F901811
Деталь FILTER-FUEL PUMP
18
FA429471
Деталь COVER ASSEMBLY-CYLINDER DRAIN
19
F429811
Водозаборная решетка
20
817741A1
Деталь VALVE KIT
21
F2867721
Зажим
22
825188
Деталь GASKET-CYLINDER DRAIN COVER
23
F1069
Деталь SCREW (10-24 X 1-1/16")
24
819993T1
Деталь COVER-FUEL PUMP (PAINTED)
25
F247482
Деталь GASKET-FUEL PUMP
26
F2A24757
Деталь PLATE ASSEMBLY-FUEL PUMP
27
18552
Шайба
28
F181603
Деталь REED
29
F1286
Деталь SCREW (4-40 X 3/16")
30
818043A1
Деталь GASKET/DIAPHRAGM KIT
31
F682222
Деталь COVER-TRANSFER PORT (9.9) (91B ONLY)
31
8201161
Деталь COVER-TRANSFER PORT (9.9/15) (3 HOLES)
31
8201162
Деталь COVER-TRANSFER PORT (9.9/15) (4 HOLES)
32
825183
Деталь GASKET-TRANSFER PORT COVER
33
F6819541
Деталь COVER-PRIMER BULB
34
F681046
Деталь BULB-PRIMER
35
98254
Деталь SCREW (1/4-20 X 5/8")
36
F1922
Деталь SCREW (1/4-20 X 5/8")