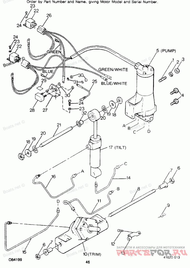
1 | | Шпилька | |
1 |
|
|
F660273
Шпилька
ОПРОС ПОСТАВЩИКОВ...
Для сборки этого узла требуется 1 шт.
* ориентировочный срок поставки
|
|
2 | F8096Деталь WASHER, 5/16 LOCK | Деталь WASHER, 5/16 LOCK | |
2 |
|
|
F8096
Деталь WASHER, 5/16 LOCK
ОПРОС ПОСТАВЩИКОВ...
Для сборки этого узла требуется 1 шт.
* ориентировочный срок поставки
|
|
3 | F1515Деталь NUT, 5/16 - 18 HEX | Деталь NUT, 5/16 - 18 HEX | |
3 |
|
|
F1515
Деталь NUT, 5/16 - 18 HEX
ОПРОС ПОСТАВЩИКОВ...
Для сборки этого узла требуется 1 шт.
* ориентировочный срок поставки
|
|
4 | F1822Деталь SCREW, 5/16 - 18 X 7/8 HEX | Деталь SCREW, 5/16 - 18 X 7/8 HEX | |
4 |
|
|
F1822
Деталь SCREW, 5/16 - 18 X 7/8 HEX
ОПРОС ПОСТАВЩИКОВ...
Для сборки этого узла требуется 2 шт.
* ориентировочный срок поставки
|
|
5 | | Деталь PUMP/MOTOR ASSEMBLY | |
5 |
|
|
F660541
Деталь PUMP/MOTOR ASSEMBLY
ОПРОС ПОСТАВЩИКОВ...
Для сборки этого узла требуется 1 шт.
* ориентировочный срок поставки
|
|
6 | F7053Деталь NUT, 5/8 - 18 STOP | Деталь NUT, 5/8 - 18 STOP | |
6 |
|
|
F7053
Деталь NUT, 5/8 - 18 STOP
ОПРОС ПОСТАВЩИКОВ...
Для сборки этого узла требуется 2 шт.
* ориентировочный срок поставки
|
|
7 | | Деталь BEARING, LOWER SHAFT | |
7 |
|
|
F449362
Деталь BEARING, LOWER SHAFT
ОПРОС ПОСТАВЩИКОВ...
Для сборки этого узла требуется 2 шт.
* ориентировочный срок поставки
|
|
8 | | Деталь SHAFT, TRIM MOUNT | |
8 |
|
|
F449632
Деталь SHAFT, TRIM MOUNT
ОПРОС ПОСТАВЩИКОВ...
Для сборки этого узла требуется 1 шт.
* ориентировочный срок поставки
|
|
9 | F1966Деталь PLUG, PLASTIC | Деталь PLUG, PLASTIC | |
9 |
|
|
F1966
Деталь PLUG, PLASTIC
ОПРОС ПОСТАВЩИКОВ...
Для сборки этого узла требуется 1 шт.
* ориентировочный срок поставки
|
|
10 | | Деталь TRIM CYLINDER COMPLETE | |
10 |
|
|
818055A3
Деталь TRIM CYLINDER COMPLETE
ОПРОС ПОСТАВЩИКОВ...
Для сборки этого узла требуется 1 шт.
* ориентировочный срок поставки
|
|
11 | F660254Деталь LINE, UPPER HYDRAULIC TRIM CYLINDER | Деталь LINE, UPPER HYDRAULIC TRIM CYLINDER | |
11 |
|
|
F660254
Деталь LINE, UPPER HYDRAULIC TRIM CYLINDER
ОПРОС ПОСТАВЩИКОВ...
Для сборки этого узла требуется 1 шт.
* ориентировочный срок поставки
|
|
12 | F1734Деталь SCREW, 1/4 - 20 X 1/2 W/SPRING LOCKWASHER | Деталь SCREW, 1/4 - 20 X 1/2 W/SPRING LOCKWASHER | |
12 |
|
|
F1734
Деталь SCREW, 1/4 - 20 X 1/2 W/SPRING LOCKWASHER
ОПРОС ПОСТАВЩИКОВ...
Для сборки этого узла требуется 2 шт.
* ориентировочный срок поставки
|
|
13 | | Деталь BRACKET, THRUST | |
13 |
|
|
F449354
Деталь BRACKET, THRUST
ОПРОС ПОСТАВЩИКОВ...
Для сборки этого узла требуется 1 шт.
* ориентировочный срок поставки
|
|
14 | F660754Деталь LINE, LOWER HYDRAULIC TILT CYLINDER | Деталь LINE, LOWER HYDRAULIC TILT CYLINDER | |
14 |
|
|
F660754
Деталь LINE, LOWER HYDRAULIC TILT CYLINDER
ОПРОС ПОСТАВЩИКОВ...
Для сборки этого узла требуется 1 шт.
* ориентировочный срок поставки
|
|
15 | F660253Деталь LINE, LOWER HYDRAULIC TRIM CYLINDER | Деталь LINE, LOWER HYDRAULIC TRIM CYLINDER | |
15 |
|
|
F660253
Деталь LINE, LOWER HYDRAULIC TRIM CYLINDER
ОПРОС ПОСТАВЩИКОВ...
Для сборки этого узла требуется 1 шт.
* ориентировочный срок поставки
|
|
16 | F660758Деталь UPPER HYDRAULIC TILT CYLINDER | Деталь UPPER HYDRAULIC TILT CYLINDER | |
16 |
|
|
F660758
Деталь UPPER HYDRAULIC TILT CYLINDER
ОПРОС ПОСТАВЩИКОВ...
Для сборки этого узла требуется 1 шт.
* ориентировочный срок поставки
|
|
17 | | Деталь TRIM CYLINDER COMPLETE | |
17 |
|
|
FS654381
Деталь TRIM CYLINDER COMPLETE
ОПРОС ПОСТАВЩИКОВ...
Для сборки этого узла требуется 1 шт.
* ориентировочный срок поставки
|
|
18 | F1931Деталь NUT, 1/2 - 20 STOP | Деталь NUT, 1/2 - 20 STOP | |
18 |
|
|
F1931
Деталь NUT, 1/2 - 20 STOP
ОПРОС ПОСТАВЩИКОВ...
Для сборки этого узла требуется 2 шт.
* ориентировочный срок поставки
|
|
19 | | Шайба | |
19 |
|
|
F1710
Шайба
ОПРОС ПОСТАВЩИКОВ...
Для сборки этого узла требуется 2 шт.
* ориентировочный срок поставки
|
|
20 | F1711Деталь WASHER, BOWED SPRING | Деталь WASHER, BOWED SPRING | |
20 |
|
|
F1711
Деталь WASHER, BOWED SPRING
ОПРОС ПОСТАВЩИКОВ...
Для сборки этого узла требуется 2 шт.
* ориентировочный срок поставки
|
|
21 | | Деталь SHAFT, UPPER SHOCK | |
21 |
|
|
F449889
Деталь SHAFT, UPPER SHOCK
ОПРОС ПОСТАВЩИКОВ...
Для сборки этого узла требуется 1 шт.
* ориентировочный срок поставки
|
|
22 | | Деталь RELAY, POWER TRIM | |
22 |
|
|
F660917
Деталь RELAY, POWER TRIM
ОПРОС ПОСТАВЩИКОВ...
Для сборки этого узла требуется 2 шт.
* ориентировочный срок поставки
|
|
23 | | Деталь WASHER, #10 | |
23 |
|
|
F8011
Деталь WASHER, #10
ОПРОС ПОСТАВЩИКОВ...
Для сборки этого узла требуется 4 шт.
* ориентировочный срок поставки
|
|
24 | F1760Деталь SCREW, #10 - 24 X 3/8 PAN HM. | Деталь SCREW, #10 - 24 X 3/8 PAN HM. | |
24 |
|
|
F1760
Деталь SCREW, #10 - 24 X 3/8 PAN HM.
ОПРОС ПОСТАВЩИКОВ...
Для сборки этого узла требуется 4 шт.
* ориентировочный срок поставки
|
|
25 | | Деталь WIRE, RED | |
25 |
|
|
F660908
Деталь WIRE, RED
ОПРОС ПОСТАВЩИКОВ...
Для сборки этого узла требуется 1 шт.
* ориентировочный срок поставки
|
|
26 | | Деталь WIRING HARNESS | |
26 |
|
|
FA663744
Деталь WIRING HARNESS
ОПРОС ПОСТАВЩИКОВ...
Для сборки этого узла требуется 1 шт.
* ориентировочный срок поставки
|
|
27 | | Крепление | |
27 |
|
|
F91446-1
Крепление
ОПРОС ПОСТАВЩИКОВ...
Для сборки этого узла требуется 1 шт.
* ориентировочный срок поставки
|
|
28 | | Тепловой размыкатель | |
28 |
|
|
F510460
Тепловой размыкатель
ОПРОС ПОСТАВЩИКОВ...
Для сборки этого узла требуется 1 шт.
* ориентировочный срок поставки
|
|
29 | | Деталь DECAL, CIRCULT BREAKER | |
29 |
|
|
F510374-1
Деталь DECAL, CIRCULT BREAKER
ОПРОС ПОСТАВЩИКОВ...
Для сборки этого узла требуется 1 шт.
* ориентировочный срок поставки
|
|
30 | F1513Деталь NUT, #10 - 32 HEX | Деталь NUT, #10 - 32 HEX | |
30 |
|
|
F1513
Деталь NUT, #10 - 32 HEX
ОПРОС ПОСТАВЩИКОВ...
Для сборки этого узла требуется 4 шт.
* ориентировочный срок поставки
|
|
31 | F1975Деталь WASHER, #10 SPRING LOCK | Деталь WASHER, #10 SPRING LOCK | |
31 |
|
|
F1975
Деталь WASHER, #10 SPRING LOCK
ОПРОС ПОСТАВЩИКОВ...
Для сборки этого узла требуется 2 шт.
* ориентировочный срок поставки
|
|
32 | F178344Сайленблок амортизатора (4шт.в упаковке) | Сайленблок амортизатора (4шт.в упаковке) | |
32 |
|
|
F178344
Сайленблок амортизатора (4шт.в упаковке)
ОПРОС ПОСТАВЩИКОВ...
Для сборки этого узла требуется 2 шт.
* ориентировочный срок поставки
|
|
| F5H196Деталь POWER TRIM UNIT COMPLETE | Деталь POWER TRIM UNIT COMPLETE | |
|
|
|
F5H196
Деталь POWER TRIM UNIT COMPLETE
ОПРОС ПОСТАВЩИКОВ...
* ориентировочный срок поставки
|
|