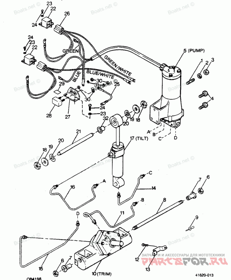
Power Trim Unit

Force H0856L88B

Force
#oem кодцена
1
F660273
Шпилька
2
F8096
Деталь WASHER, 5/16 LOCK
3
F1515
Деталь NUT, 5/16 - 18 HEX
4
F1822
Деталь SCREW, 5/16 - 18 X 7/8 HEX
5
F660541
Деталь PUMP/MOTOR ASSEMBLY
6
F7053
Деталь NUT, 5/8 - 18 STOP
7
F449362
Деталь BEARING, LOWER SHAFT
8
F449632
Деталь SHAFT, TRIM MOUNT
9
F1966
Деталь PLUG, PLASTIC
10
818055A3
Деталь TRIM CYLINDER COMPLETE
11
F660254
Деталь LINE, UPPER HYDRAULIC TRIM CYLINDER
12
F1734
Деталь SCREW, 1/4 - 20 X 1/2 W/SPRING LOCKWASHER
13
F449354
Деталь BRACKET, THRUST
14
F660754
Деталь LINE, LOWER HYDRAULIC TILT CYLINDER
15
F660253
Деталь LINE, LOWER HYDRAULIC TRIM CYLINDER
16
F660758
Деталь LINE, UPPER HYDRAULIC TILT CYLINDER
17
FS654381
Деталь TRIM CYLINDER COMPLETE
18
F1931
Деталь NUT, 1/2 - 20 STOP
19
F1710
Шайба
20
F1711
Деталь WASHER, BOWED SPRING
21
F449889
Деталь SHAFT, UPPER SHOCK
22
F660917
Деталь RELAY, POWER TRIM
23
F8011
Деталь WASHER, #10
24
F1760
Деталь SCREW, #10 - 24 X 3/8 PAN HM.
25
F660908
Деталь WIRE, RED
26
FA663744
Деталь WIRING HARNESS
27
F91446-1
Крепление
28
F510460
Тепловой размыкатель
29
F510374-1
Деталь DECAL, CIRCUIT BREAKER
30
F1513
Деталь NUT, #10 - 32 HEX
31
F1975
Деталь WASHER, #10 SPRING LOCK
32
F178344
Сайленблок амортизатора (4шт.в упаковке)
F5H196
Деталь POWER TRIM UNIT COMPLETE