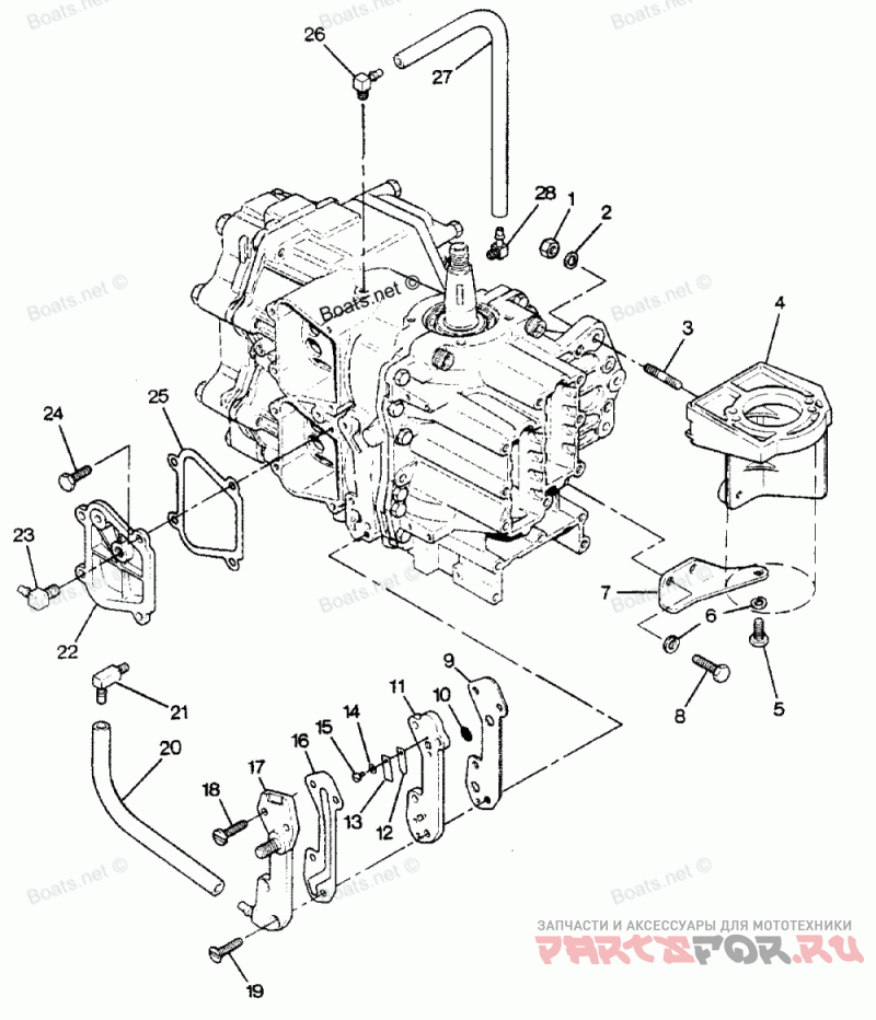
Recirculation System And Starter Brackets

Force H0507V88B

Force
#oem кодцена
1
F1515
Деталь NUT, HEX, 5/16 - 18
2
F8096
Деталь LOCKWASHER, SPRING
3
F307211
Шпилька
4
F345427-1
Деталь BRACKET, STARTER MOUNTING
5
F1854
Деталь SCREW, HEX SLOT HD, 1/4 - 20 X 5/8
6
F8083
Деталь LOCKWASHER, SPRING
7
F575675
Деталь BRACKET, STARTER MOUNTING, LOWER
8
F1854
Деталь SCREW, 1/4 - 20 X 5/8
9
F93748-1
Деталь GASKET, CYLINDER DRAIN REED PLATE
10
F93811
Деталь SCREEN, CYLINDER DRAIN REED PLATE
11
F3A433757
Деталь REED PLATE, CYLINDER DRAIN
12
F18160-3
Деталь REED, CYLINDER DRAIN
13
F93920
Деталь REED STOP, CYLINDER DRAIN
14
F8003
Шайба
15
F1286
Деталь SCREW, PAN HD., 4 - 40 X 3/16
16
F93472-1
Деталь GASKET, CYLINDER DRAIN COVER
17
FA433471
Деталь COVER, CYLINDER DRAIN W/FITTING
18
F1446
Деталь SCREW, SLOTTED PAN HD., 1/4 - 20 X 1
19
F1136
Деталь SCREW, FLAT HD., 1/4 - 20 X 1
20
F433254
Шланг
21
F404801
Колено
22
FA411222
Деталь COVER, TRANSFER PORT
23
F84314-2
Деталь ELBOW, FUEL LINE
24
F1922
Деталь SCREW, HEX HD., 1/4 - 20 X 5/8
25
F40223
Деталь GASKET, TRANSFER PORT COVER
26
F84314-2
Деталь ELBOW, FUEL
27
F433758
Деталь HOSE, LOWER MAIN BEARING TO ELBOW
28
F463314
Деталь ELBOW W/CHECK VALVE