• О Компании
  • Оплата и Доставка
  • Помощь
  • Обратная связь
  • Контакты
  • Telegram
  • ВКонтакте
  • Telegram
  • ВКонтакте
  • Регистрация
  • Авторизация
Интернет магазин мотозапчастей PartsFor.ru
Москва и регионы России
  • Личный кабинет
    • Заказы
    • Оплаты
    • Отгрузки
    • Сообщения
    • Профиль
    • Выход
  • Оригинальные запчасти
    • Для мотоциклов
    • Yamaha
    • Honda
    • Suzuki
    • Kawasaki
    • Harley Davidson
    • Ducati
    • Can-Am
    • Aprilia
    • BMW
    • Triumph
    • Husaberg
    • Husqvarna
    • KTM
    • Indian
    • Victory
    • Slingshot
    • Для мотоциклов
    • Для квадроциклов
    • Для снегоходов
    • Для мотовездеходов
    • Для гидроциклов
    • Для лодочных моторов
    • Для катеров
    • Для судовых двигателей
    • Для генераторов
    • Для квадроциклов
    • Yamaha
    • Honda
    • Suzuki
    • Kawasaki
    • Arctic Cat
    • Can-Am
    • Polaris
    • KTM
    • Для снегоходов
    • Yamaha
    • Arctic Cat
    • Lynx
    • Ski-Doo
    • Polaris
    • Для генераторов
    • Для мотовездеходов
    • Yamaha
    • Honda
    • Suzuki
    • Kawasaki
    • Arctic Cat
    • Can-Am
    • Polaris
    • Polaris RZR
    • Для гидроциклов
    • Yamaha
    • Honda Marine
    • Kawasaki
    • Arctic Cat
    • Polaris
    • Sea-Doo
    • Для лодочных моторов
    • Для катеров
    • Для суд. двигателей
    • Для генераторов
    • Для лодочных моторов
    • Yamaha
    • Honda Marine
    • Suzuki Marine
    • Evinrude
    • Johnson
    • Nissan
    • Tohatsu
    • Mercury
    • Force
    • Mariner
    • Для катеров
    • Yamaha
    • Sea-Doo
    • Для суд. двигателей
    • Для спецтехники
  • Неоригинал, расходники
  • Заказ по каталогам
    • КАТАЛОГ PARTS UNLIMITED
  • Моторезина
  1. Главная
  2. Запчасти для лодочных моторов
  3. Force
  4. 1988
  5. H0507N88D

H0507N88D (1988)

Оригинальные запчасти для подвесных лодочных моторов Force

Выбор узла

H0507N88D (1988)
  • H0507N88D Аксессуары
    Аксессуары
  • H0507N88D Карбюратор
    Карбюратор
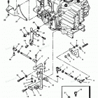
  • H0507N88D Коленвал и поршни
    Коленвал и поршни
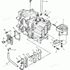
  • H0507N88D Cylinder Block, Head And Exhaust Chest Cover
    Cylinder Block, Head And Exhaust Chest Cover
  • H0507N88D Электрический стартер
    Электрический стартер
  • H0507N88D Электрика
    Электрика
  • H0507N88D Engine Cover Bayliner Models
    Engine Cover Bayliner Models
  • H0507N88D Engine Cover Cajun Models
    Engine Cover Cajun Models
  • H0507N88D Engine Cover Force Models
    Engine Cover Force Models
  • H0507N88D Насос топливный
    Насос топливный
  • H0507N88D Fuel Tank And Line
    Fuel Tank And Line
  • H0507N88D Gear Housing
    Gear Housing
  • H0507N88D Motor Leg
    Motor Leg
  • H0507N88D Overheat Buzzer
    Overheat Buzzer
  • H0507N88D Propeller Listing
    Propeller Listing
  • H0507N88D Recirculation System And Starter Brackets
    Recirculation System And Starter Brackets
  • H0507N88D Reed Plate And Adapter Flange
    Reed Plate And Adapter Flange
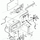
  • H0507N88D Дистанционное управление
    Дистанционное управление
  • H0507N88D Переключать управления
    Переключать управления
  • H0507N88D Spacer Plate
    Spacer Plate
  • H0507N88D Special Tools - Lower Unit
    Special Tools - Lower Unit
  • H0507N88D Special Tools - Lubricants And Sealants
    Special Tools - Lubricants And Sealants
  • H0507N88D Special Tools - Power Head
    Special Tools - Power Head
  • H0507N88D Special Tools - Test Equipment
    Special Tools - Test Equipment
  • H0507N88D Support Plate
    Support Plate
  • H0507N88D Swivel Bracket And Stern Brackets
    Swivel Bracket And Stern Brackets


  Информация
  • Новости
  • О Компании
  • Оплата и Доставка
  • Помощь
  • Обратная связь
  • Контакты
  OEM запчасти
  • Запчасти для мотоциклов
  • Запчасти для квадроциклов
  • Запчасти для снегоходов
  • Запчасти для мотовездеходов
  • Запчасти для гидроциклов
  • Запчасти для лодочных моторов
  Наши контакты
  • ИП Зуев Артем Павлович
  • г. Москва 2-я Хуторская улица, д.29, офис 214
  • Email: info@partsfor.ru

Тел: ‎8(495) 532-03-60
8(909) 958-46-33; 8(925) 200-16-98

* все разговоры записываются
С 10.00 до 19.00 ПН - ПТ

© 2026 Интернет магазин запчастей для мототехники ПартсФор.

  • PaymentGateway
  • PaymentGateway
Договор-оферта
Образец договора для юр.лиц
Пользовательское соглашение
Политика конфиденциальности

Товар добавлен в корзину

Выбранный товар добавлен в Вашу корзину.
Далее Вы можете перейти в корзину для оформления заказа или закрыть это окно и продолжить покупки.

Перейти в корзину

Выбор модели техники

Выбрать