• О Компании
  • Оплата и Доставка
  • Помощь
  • Обратная связь
  • Контакты
  • Telegram
  • ВКонтакте
  • Telegram
  • ВКонтакте
  • Регистрация
  • Авторизация
Интернет магазин мотозапчастей PartsFor.ru
Москва и регионы России
  • Личный кабинет
    • Заказы
    • Оплаты
    • Отгрузки
    • Сообщения
    • Профиль
    • Выход
  • Оригинальные запчасти
    • Для мотоциклов
    • Yamaha
    • Honda
    • Suzuki
    • Kawasaki
    • Harley Davidson
    • Ducati
    • Can-Am
    • Aprilia
    • BMW
    • Triumph
    • Husaberg
    • Husqvarna
    • KTM
    • Indian
    • Victory
    • Slingshot
    • Для мотоциклов
    • Для квадроциклов
    • Для снегоходов
    • Для мотовездеходов
    • Для гидроциклов
    • Для лодочных моторов
    • Для катеров
    • Для судовых двигателей
    • Для генераторов
    • Для квадроциклов
    • Yamaha
    • Honda
    • Suzuki
    • Kawasaki
    • Arctic Cat
    • Can-Am
    • Polaris
    • KTM
    • Для снегоходов
    • Yamaha
    • Arctic Cat
    • Lynx
    • Ski-Doo
    • Polaris
    • Для генераторов
    • Для мотовездеходов
    • Yamaha
    • Honda
    • Suzuki
    • Kawasaki
    • Arctic Cat
    • Can-Am
    • Polaris
    • Polaris RZR
    • Для гидроциклов
    • Yamaha
    • Honda Marine
    • Kawasaki
    • Arctic Cat
    • Polaris
    • Sea-Doo
    • Для лодочных моторов
    • Для катеров
    • Для суд. двигателей
    • Для генераторов
    • Для лодочных моторов
    • Yamaha
    • Honda Marine
    • Suzuki Marine
    • Evinrude
    • Johnson
    • Nissan
    • Tohatsu
    • Mercury
    • Force
    • Mariner
    • Для катеров
    • Yamaha
    • Sea-Doo
    • Для суд. двигателей
    • Для спецтехники
  • Неоригинал, расходники
  • Заказ по каталогам
    • КАТАЛОГ PARTS UNLIMITED
  • Моторезина
  1. Главная
  2. Запчасти для лодочных моторов
  3. Force
  4. 1988
  5. H0052C88B

H0052C88B (1988)

Оригинальные запчасти для подвесных лодочных моторов Force

Выбор узла

H0052C88B (1988)
  • H0052C88B Bottom Cowl And Support Plate (90a Thru 92b)
    Bottom Cowl And Support Plate (90a Thru 92b)
  • H0052C88B Bottom Cowl And Support Plate(88b Thru 89b Models)
    Bottom Cowl And Support Plate(88b Thru 89b Models)
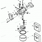
  • H0052C88B Carburetor (88b Thru 89a Models)
    Carburetor (88b Thru 89a Models)
  • H0052C88B Carburetor (89b Thru 92b)
    Carburetor (89b Thru 92b)
  • H0052C88B Carburetor And Reed Plate (88a Models)
    Carburetor And Reed Plate (88a Models)
  • H0052C88B Crankshaft And Piston (88b Thru 92b)
    Crankshaft And Piston (88b Thru 92b)
  • H0052C88B Cylinder Block (88b Thru 92b)
    Cylinder Block (88b Thru 92b)
  • H0052C88B Driveshaft Hoousing (all Models)
    Driveshaft Hoousing (all Models)
  • H0052C88B Fuel Pump (88b Thru 92b)
    Fuel Pump (88b Thru 92b)
  • H0052C88B Fuel Tank And Line (88b Thru 92b)
    Fuel Tank And Line (88b Thru 92b)
  • H0052C88B Fuel Tank And Line (plastic - 3.2 Gallon)
    Fuel Tank And Line (plastic - 3.2 Gallon)
  • H0052C88B Gear Housing (all Models)
    Gear Housing (all Models)
  • H0052C88B Intake System (88b Thru 90a Models)
    Intake System (88b Thru 90a Models)
  • H0052C88B Intake System (90b Thru 92b)
    Intake System (90b Thru 92b)
  • H0052C88B Генератор
    Генератор
  • H0052C88B Magneto (88a Models)
    Magneto (88a Models)
  • H0052C88B Magneto (88b Thru 89a Models)
    Magneto (88b Thru 89a Models)
  • H0052C88B Magneto (89b Thru 92b)
    Magneto (89b Thru 92b)
  • H0052C88B Miscellaneous Engine Parts
    Miscellaneous Engine Parts
  • H0052C88B Powerhead And Support Plate (88a Models)
    Powerhead And Support Plate (88a Models)
  • H0052C88B Shift Linkage (all Models)
    Shift Linkage (all Models)
  • H0052C88B Starter Rewiind (88a Thru 89a Models)
    Starter Rewiind (88a Thru 89a Models)
  • H0052C88B Starter Rewind (89b Thru 92b)
    Starter Rewind (89b Thru 92b)
  • H0052C88B Steering Hamdle-twist Grip Throtle (88b Thru 92b)
    Steering Hamdle-twist Grip Throtle (88b Thru 92b)
  • H0052C88B Swivel Bracket-clamp Bracket (all Models)
    Swivel Bracket-clamp Bracket (all Models)
  • H0052C88B Tools - Special
    Tools - Special
  • H0052C88B Top Cowl & Fuel Tank (88a Models)
    Top Cowl & Fuel Tank (88a Models)
  • H0052C88B Top Cowl (88b Thru 92b)
    Top Cowl (88b Thru 92b)


  Информация
  • Новости
  • О Компании
  • Оплата и Доставка
  • Помощь
  • Обратная связь
  • Контакты
  OEM запчасти
  • Запчасти для мотоциклов
  • Запчасти для квадроциклов
  • Запчасти для снегоходов
  • Запчасти для мотовездеходов
  • Запчасти для гидроциклов
  • Запчасти для лодочных моторов
  Наши контакты
  • ИП Зуев Артем Павлович
  • г. Москва 2-я Хуторская улица, д.29, офис 214
  • Email: info@partsfor.ru

Тел: ‎8(495) 532-03-60
8(909) 958-46-33; 8(925) 200-16-98

* все разговоры записываются
С 10.00 до 19.00 ПН - ПТ

© 2026 Интернет магазин запчастей для мототехники ПартсФор.

  • PaymentGateway
  • PaymentGateway
Договор-оферта
Образец договора для юр.лиц
Пользовательское соглашение
Политика конфиденциальности

Товар добавлен в корзину

Выбранный товар добавлен в Вашу корзину.
Далее Вы можете перейти в корзину для оформления заказа или закрыть это окно и продолжить покупки.

Перейти в корзину

Выбор модели техники

Выбрать