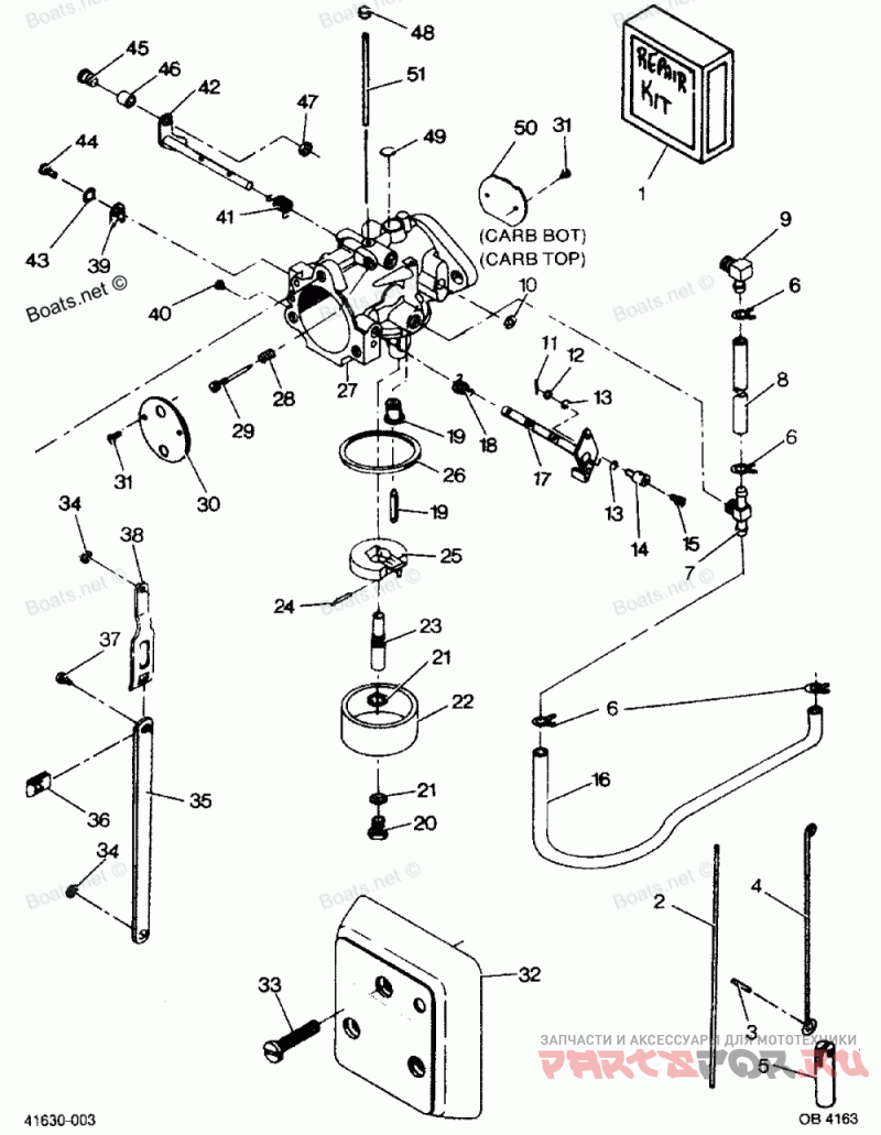
Карбюратор

Force H1258F87B

Force
#oem кодцена
1
FK10103
Деталь REPAIR PARTS KIT
2
F85509-1
Деталь LINK, CHOKE
3
F2033
Деталь GROOVE PIN
4
F440925
Деталь CHOKE ROD
5
F391926-1
Плунжер
6
F97772
Зажим
7
F85314-1
Деталь FUEL FITTING - BOTTOM CARBURETOR
8
F178754-1
Трубопровод
9
F84314-2
Деталь ELBOW - TOP CARBURETOR
10
FO16620
Поршень комплект (увел1,0)
11
F1014
Шплинт
12
F8088
Деталь PLAIN WASHER
13
F184579
Деталь O-RING SEAL
14
F184033-1
Деталь SWIVEL, TOP CARBURETOR
15
F1059
Деталь FILL HD SCREW, 6 - 32 X 1/4
16
F438754
Трубопровод
17
FO16301
Деталь CHOKE SHAFT AND LEVER
18
FO17885
Деталь CHOKE SHAFT RETURN SPRING
19
FK10107
Деталь INLET NEEDLE AND SEAT
20
FO16132
Деталь FUEL BOWL RETAINING SCREW
21
FO5323
Деталь FUEL BOWL RETAINING SCREW GASKET
-
F85033
Деталь SWIVEL, CHOKE ROD (BOTTOM CARBURETOR) (NOT SHOWN)
-
FK10023
Деталь GASKET SET.
22
FO16130
Деталь FUEL BOWL
23
FO16133
Деталь MAIN NOZZLE
24
FO13944
Деталь FLOAT LEVER PIN
25
FO13554
Поплавок
26
FO15623
Деталь FUEL BOWL GASKET
27
F589061-1
Деталь CARBURETOR COMPLETE (TOP)
-
F664061
Деталь CARBURETOR COMPLETE (BOTTOM)
28
FO11103
Деталь IDLE MIXTURE SCREW SPRING
29
FO14166
Деталь IDLE MIXTURE SCREW
30
FO17719
Деталь CHOKE, SHUTTER
31
FO8942
Деталь CHOKE AND THROTTLE SHUTTER SCREW
32
F511708-1
Деталь COVER, CARBURETOR
33
F1034
Деталь PAN HD. SCREW, 1/4 - 20 X 1-3/8
34
F90807
Стопорное кольцо
35
FA178233
Деталь THROTTLE TIE BAR W/SWIVEL
36
F1693
Деталь TIE BAR RETAINER NUT
37
F1064
Деталь FILL HD. SCREW, 8 - 32 X 3/8
38
FA85193
Деталь TIE BAR END W/SWIVEL
39
FO9678
Деталь CLIP, CHOKE SHAFT
40
FO14191
Деталь MAIN FUEL JET STD. .0937 SEA LEVEL - 1500 FT.
-
FO18010
Деталь MAIN FUEL JET STD. .101 SEA LEVEL - 1500 FT.
-
FO14190
Деталь MAIN FUEL JET OPT. .092 1500 - 3000 FT.
-
FO15406
Деталь MAIN FUEL JET OPT .090 3000 - 4500 FT.
-
FO13193
Деталь MAIN FUEL JET OPT. .088 4500 - 6000 FT.
-
FO13949
Деталь MAIN FUEL JET OPT. .086 6000 FT. & UP
41
FO16143
Деталь THROTTLE SHAFT RETURN SPRING
42
FO17884
Деталь THROTTLE SHAFT AND LEVER
43
FO992
Стопорная шайба
44
FO1974
Винт
45
F333316
Деталь THROTTLE ROLLER SHAFT
46
F92759
Деталь THROTTLE ROLLER
47
F1997
Деталь STOP NUT, 8 - 32
48
FO10588
Деталь BODY CHANNEL CUP PLUG
49
FO16128
Деталь BODY CHANNEL WELCH PLUG
50
FO16142
Деталь THROTTLE SHUTTER
51
FO16993
Деталь BY PASS TUBE