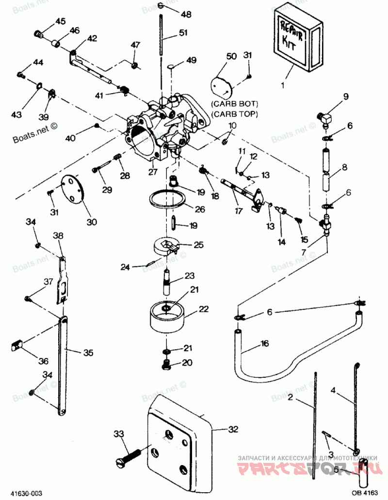
1 | | Деталь REPAIR PARTS KIT | |
1 |
|
|
FK10103
Деталь REPAIR PARTS KIT
ОПРОС ПОСТАВЩИКОВ...
Для сборки этого узла требуется 1 шт.
* ориентировочный срок поставки
|
|
2 | | Деталь LINK, CHOKE | |
2 |
|
|
F85509-1
Деталь LINK, CHOKE
ОПРОС ПОСТАВЩИКОВ...
Для сборки этого узла требуется 1 шт.
* ориентировочный срок поставки
|
|
3 | | Деталь GROOVE PIN | |
3 |
|
|
F2033
Деталь GROOVE PIN
ОПРОС ПОСТАВЩИКОВ...
Для сборки этого узла требуется 1 шт.
* ориентировочный срок поставки
|
|
4 | | Деталь CHOKE ROD | |
4 |
|
|
F440925
Деталь CHOKE ROD
ОПРОС ПОСТАВЩИКОВ...
Для сборки этого узла требуется 1 шт.
* ориентировочный срок поставки
|
|
5 | | Плунжер | |
5 |
|
|
F391926-1
Плунжер
ОПРОС ПОСТАВЩИКОВ...
Для сборки этого узла требуется 1 шт.
* ориентировочный срок поставки
|
|
6 | | Зажим | |
6 |
|
|
F97772
Зажим
ОПРОС ПОСТАВЩИКОВ...
Для сборки этого узла требуется 4 шт.
* ориентировочный срок поставки
|
|
7 | F85314-1Деталь FUEL FITTING - BOTTOM CARBURETOR | Деталь FUEL FITTING - BOTTOM CARBURETOR | |
7 |
|
|
F85314-1
Деталь FUEL FITTING - BOTTOM CARBURETOR
ОПРОС ПОСТАВЩИКОВ...
Для сборки этого узла требуется 1 шт.
* ориентировочный срок поставки
|
|
8 | | Трубопровод | |
8 |
|
|
F178754-1
Трубопровод
ОПРОС ПОСТАВЩИКОВ...
Для сборки этого узла требуется 1 шт.
* ориентировочный срок поставки
|
|
9 | | Деталь ELBOW - TOP CARBURETOR | |
9 |
|
|
F84314-2
Деталь ELBOW - TOP CARBURETOR
ОПРОС ПОСТАВЩИКОВ...
Для сборки этого узла требуется 1 шт.
* ориентировочный срок поставки
|
|
10 | | Поршень комплект (увел1,0) | |
10 |
|
|
FO16620
Поршень комплект (увел1,0)
ОПРОС ПОСТАВЩИКОВ...
* ориентировочный срок поставки
|
|
11 | | Шплинт | |
11 |
|
|
F1014
Шплинт
ОПРОС ПОСТАВЩИКОВ...
Для сборки этого узла требуется 2 шт.
* ориентировочный срок поставки
|
|
12 | | Деталь PLAIN WASHER | |
12 |
|
|
F8088
Деталь PLAIN WASHER
ОПРОС ПОСТАВЩИКОВ...
Для сборки этого узла требуется 3 шт.
* ориентировочный срок поставки
|
|
13 | | Деталь O-RING SEAL | |
13 |
|
|
F184579
Деталь O-RING SEAL
ОПРОС ПОСТАВЩИКОВ...
Для сборки этого узла требуется 5 шт.
* ориентировочный срок поставки
|
|
14 | | Деталь SWIVEL, TOP CARBURETOR | |
14 |
|
|
F184033-1
Деталь SWIVEL, TOP CARBURETOR
ОПРОС ПОСТАВЩИКОВ...
Для сборки этого узла требуется 1 шт.
* ориентировочный срок поставки
|
|
15 | F1059Деталь FILL HD SCREW, 6 - 32 X 1/4 | Деталь FILL HD SCREW, 6 - 32 X 1/4 | |
15 |
|
|
F1059
Деталь FILL HD SCREW, 6 - 32 X 1/4
ОПРОС ПОСТАВЩИКОВ...
Для сборки этого узла требуется 2 шт.
* ориентировочный срок поставки
|
|
16 | | Трубопровод | |
16 |
|
|
F438754
Трубопровод
ОПРОС ПОСТАВЩИКОВ...
Для сборки этого узла требуется 1 шт.
* ориентировочный срок поставки
|
|
17 | FO16301Деталь CHOKE SHAFT AND LEVER | Деталь CHOKE SHAFT AND LEVER | |
17 |
|
|
FO16301
Деталь CHOKE SHAFT AND LEVER
ОПРОС ПОСТАВЩИКОВ...
Для сборки этого узла требуется 1 шт.
* ориентировочный срок поставки
|
|
18 | FO17885Деталь CHOKE SHAFT RETURN SPRING | Деталь CHOKE SHAFT RETURN SPRING | |
18 |
|
|
FO17885
Деталь CHOKE SHAFT RETURN SPRING
ОПРОС ПОСТАВЩИКОВ...
Для сборки этого узла требуется 1 шт.
* ориентировочный срок поставки
|
|
19 | FK10107Деталь INLET NEEDLE AND SEAT | Деталь INLET NEEDLE AND SEAT | |
19 |
|
|
FK10107
Деталь INLET NEEDLE AND SEAT
ОПРОС ПОСТАВЩИКОВ...
Для сборки этого узла требуется 1 шт.
* ориентировочный срок поставки
|
|
20 | FO16132Деталь FUEL BOWL RETAINING SCREW | Деталь FUEL BOWL RETAINING SCREW | |
20 |
|
|
FO16132
Деталь FUEL BOWL RETAINING SCREW
ОПРОС ПОСТАВЩИКОВ...
Для сборки этого узла требуется 1 шт.
* ориентировочный срок поставки
|
|
21 | FO5323Деталь FUEL BOWL RETAINING SCREW GASKET | Деталь FUEL BOWL RETAINING SCREW GASKET | |
21 |
|
|
FO5323
Деталь FUEL BOWL RETAINING SCREW GASKET
ОПРОС ПОСТАВЩИКОВ...
Для сборки этого узла требуется 2 шт.
* ориентировочный срок поставки
|
|
- | F85033Деталь SWIVEL, CHOKE ROD (BOTTOM CARBURETOR) (NOT SHOWN) | Деталь SWIVEL, CHOKE ROD (BOTTOM CARBURETOR) (NOT SHOWN) | |
- |
|
|
F85033
Деталь SWIVEL, CHOKE ROD (BOTTOM CARBURETOR) (NOT SHOWN)
ОПРОС ПОСТАВЩИКОВ...
Для сборки этого узла требуется 1 шт.
* ориентировочный срок поставки
|
|
- | | Деталь GASKET SET. | |
- |
|
|
FK10023
Деталь GASKET SET.
ОПРОС ПОСТАВЩИКОВ...
Для сборки этого узла требуется 1 шт.
* ориентировочный срок поставки
|
|
22 | | Деталь FUEL BOWL | |
22 |
|
|
FO16130
Деталь FUEL BOWL
ОПРОС ПОСТАВЩИКОВ...
Для сборки этого узла требуется 1 шт.
* ориентировочный срок поставки
|
|
23 | | Деталь MAIN NOZZLE | |
23 |
|
|
FO16133
Деталь MAIN NOZZLE
ОПРОС ПОСТАВЩИКОВ...
Для сборки этого узла требуется 1 шт.
* ориентировочный срок поставки
|
|
24 | | Деталь FLOAT LEVER PIN | |
24 |
|
|
FO13944
Деталь FLOAT LEVER PIN
ОПРОС ПОСТАВЩИКОВ...
Для сборки этого узла требуется 1 шт.
* ориентировочный срок поставки
|
|
25 | | Поплавок | |
25 |
|
|
FO13554
Поплавок
ОПРОС ПОСТАВЩИКОВ...
Для сборки этого узла требуется 1 шт.
* ориентировочный срок поставки
|
|
26 | | Деталь FUEL BOWL GASKET | |
26 |
|
|
FO15623
Деталь FUEL BOWL GASKET
ОПРОС ПОСТАВЩИКОВ...
Для сборки этого узла требуется 1 шт.
* ориентировочный срок поставки
|
|
27 | | Деталь CARBURETOR COMPLETE (TOP) | |
27 |
|
|
F589061-1
Деталь CARBURETOR COMPLETE (TOP)
ОПРОС ПОСТАВЩИКОВ...
Для сборки этого узла требуется 1 шт.
* ориентировочный срок поставки
|
|
- | F664061Деталь CARBURETOR COMPLETE (BOTTOM) | Деталь CARBURETOR COMPLETE (BOTTOM) | |
- |
|
|
F664061
Деталь CARBURETOR COMPLETE (BOTTOM)
ОПРОС ПОСТАВЩИКОВ...
Для сборки этого узла требуется 1 шт.
* ориентировочный срок поставки
|
|
28 | FO11103Деталь IDLE MIXTURE SCREW SPRING | Деталь IDLE MIXTURE SCREW SPRING | |
28 |
|
|
FO11103
Деталь IDLE MIXTURE SCREW SPRING
ОПРОС ПОСТАВЩИКОВ...
Для сборки этого узла требуется 1 шт.
* ориентировочный срок поставки
|
|
29 | | Деталь IDLE MIXTURE SCREW | |
29 |
|
|
FO14166
Деталь IDLE MIXTURE SCREW
ОПРОС ПОСТАВЩИКОВ...
Для сборки этого узла требуется 1 шт.
* ориентировочный срок поставки
|
|
30 | | Деталь CHOKE, SHUTTER | |
30 |
|
|
FO17719
Деталь CHOKE, SHUTTER
ОПРОС ПОСТАВЩИКОВ...
Для сборки этого узла требуется 1 шт.
* ориентировочный срок поставки
|
|
31 | FO8942Деталь CHOKE AND THROTTLE SHUTTER SCREW | Деталь CHOKE AND THROTTLE SHUTTER SCREW | |
31 |
|
|
FO8942
Деталь CHOKE AND THROTTLE SHUTTER SCREW
ОПРОС ПОСТАВЩИКОВ...
Для сборки этого узла требуется 4 шт.
* ориентировочный срок поставки
|
|
32 | | Деталь COVER, CARBURETOR | |
32 |
|
|
F511708-1
Деталь COVER, CARBURETOR
ОПРОС ПОСТАВЩИКОВ...
Для сборки этого узла требуется 2 шт.
* ориентировочный срок поставки
|
|
33 | F1034Деталь PAN HD. SCREW, 1/4 - 20 X 1-3/8 | Деталь PAN HD. SCREW, 1/4 - 20 X 1-3/8 | |
33 |
|
|
F1034
Деталь PAN HD. SCREW, 1/4 - 20 X 1-3/8
ОПРОС ПОСТАВЩИКОВ...
Для сборки этого узла требуется 6 шт.
* ориентировочный срок поставки
|
|
34 | | Стопорное кольцо | |
34 |
|
|
F90807
Стопорное кольцо
ОПРОС ПОСТАВЩИКОВ...
Для сборки этого узла требуется 2 шт.
* ориентировочный срок поставки
|
|
35 | FA178233Деталь THROTTLE TIE BAR W/SWIVEL | Деталь THROTTLE TIE BAR W/SWIVEL | |
35 |
|
|
FA178233
Деталь THROTTLE TIE BAR W/SWIVEL
ОПРОС ПОСТАВЩИКОВ...
Для сборки этого узла требуется 1 шт.
* ориентировочный срок поставки
|
|
36 | F1693Деталь TIE BAR RETAINER NUT | Деталь TIE BAR RETAINER NUT | |
36 |
|
|
F1693
Деталь TIE BAR RETAINER NUT
ОПРОС ПОСТАВЩИКОВ...
Для сборки этого узла требуется 1 шт.
* ориентировочный срок поставки
|
|
37 | F1064Деталь FILL HD. SCREW, 8 - 32 X 3/8 | Деталь FILL HD. SCREW, 8 - 32 X 3/8 | |
37 |
|
|
F1064
Деталь FILL HD. SCREW, 8 - 32 X 3/8
ОПРОС ПОСТАВЩИКОВ...
Для сборки этого узла требуется 1 шт.
* ориентировочный срок поставки
|
|
38 | | Деталь TIE BAR END W/SWIVEL | |
38 |
|
|
FA85193
Деталь TIE BAR END W/SWIVEL
ОПРОС ПОСТАВЩИКОВ...
Для сборки этого узла требуется 1 шт.
* ориентировочный срок поставки
|
|
39 | FO9678Деталь CLIP, CHOKE SHAFT | Деталь CLIP, CHOKE SHAFT | |
39 |
|
|
FO9678
Деталь CLIP, CHOKE SHAFT
ОПРОС ПОСТАВЩИКОВ...
Для сборки этого узла требуется 1 шт.
* ориентировочный срок поставки
|
|
40 | FO14191Деталь MAIN FUEL JET STD. .0937 SEA LEVEL - 1500 FT. | Деталь MAIN FUEL JET STD. .0937 SEA LEVEL - 1500 FT. | |
40 |
|
|
FO14191
Деталь MAIN FUEL JET STD. .0937 SEA LEVEL - 1500 FT.
ОПРОС ПОСТАВЩИКОВ...
Для сборки этого узла требуется 1 шт.
* ориентировочный срок поставки
|
|
- | FO18010Деталь MAIN FUEL JET STD. .101 SEA LEVEL - 1500 FT. | Деталь MAIN FUEL JET STD. .101 SEA LEVEL - 1500 FT. | |
- |
|
|
FO18010
Деталь MAIN FUEL JET STD. .101 SEA LEVEL - 1500 FT.
ОПРОС ПОСТАВЩИКОВ...
Для сборки этого узла требуется 1 шт.
* ориентировочный срок поставки
|
|
- | FO14190Деталь MAIN FUEL JET OPT. .092 1500 - 3000 FT. | Деталь MAIN FUEL JET OPT. .092 1500 - 3000 FT. | |
- |
|
|
FO14190
Деталь MAIN FUEL JET OPT. .092 1500 - 3000 FT.
ОПРОС ПОСТАВЩИКОВ...
* ориентировочный срок поставки
|
|
- | FO15406Деталь MAIN FUEL JET OPT .090 3000 - 4500 FT. | Деталь MAIN FUEL JET OPT .090 3000 - 4500 FT. | |
- |
|
|
FO15406
Деталь MAIN FUEL JET OPT .090 3000 - 4500 FT.
ОПРОС ПОСТАВЩИКОВ...
* ориентировочный срок поставки
|
|
- | FO13193Деталь MAIN FUEL JET OPT. .088 4500 - 6000 FT. | Деталь MAIN FUEL JET OPT. .088 4500 - 6000 FT. | |
- |
|
|
FO13193
Деталь MAIN FUEL JET OPT. .088 4500 - 6000 FT.
ОПРОС ПОСТАВЩИКОВ...
* ориентировочный срок поставки
|
|
- | FO13949Деталь MAIN FUEL JET OPT. .086 6000 FT. & UP | Деталь MAIN FUEL JET OPT. .086 6000 FT. & UP | |
- |
|
|
FO13949
Деталь MAIN FUEL JET OPT. .086 6000 FT. & UP
ОПРОС ПОСТАВЩИКОВ...
* ориентировочный срок поставки
|
|
41 | FO16143Деталь THROTTLE SHAFT RETURN SPRING | Деталь THROTTLE SHAFT RETURN SPRING | |
41 |
|
|
FO16143
Деталь THROTTLE SHAFT RETURN SPRING
ОПРОС ПОСТАВЩИКОВ...
Для сборки этого узла требуется 1 шт.
* ориентировочный срок поставки
|
|
42 | FO17884Деталь THROTTLE SHAFT AND LEVER | Деталь THROTTLE SHAFT AND LEVER | |
42 |
|
|
FO17884
Деталь THROTTLE SHAFT AND LEVER
ОПРОС ПОСТАВЩИКОВ...
Для сборки этого узла требуется 1 шт.
* ориентировочный срок поставки
|
|
43 | | Стопорная шайба | |
43 |
|
|
FO992
Стопорная шайба
ОПРОС ПОСТАВЩИКОВ...
Для сборки этого узла требуется 1 шт.
* ориентировочный срок поставки
|
|
44 | | Винт | |
44 |
|
|
FO1974
Винт
ОПРОС ПОСТАВЩИКОВ...
Для сборки этого узла требуется 1 шт.
* ориентировочный срок поставки
|
|
45 | F333316Деталь THROTTLE ROLLER SHAFT | Деталь THROTTLE ROLLER SHAFT | |
45 |
|
|
F333316
Деталь THROTTLE ROLLER SHAFT
ОПРОС ПОСТАВЩИКОВ...
Для сборки этого узла требуется 1 шт.
* ориентировочный срок поставки
|
|
46 | | Деталь THROTTLE ROLLER | |
46 |
|
|
F92759
Деталь THROTTLE ROLLER
ОПРОС ПОСТАВЩИКОВ...
Для сборки этого узла требуется 1 шт.
* ориентировочный срок поставки
|
|
47 | F1997Деталь STOP NUT, 8 - 32 | Деталь STOP NUT, 8 - 32 | |
47 |
|
|
F1997
Деталь STOP NUT, 8 - 32
ОПРОС ПОСТАВЩИКОВ...
Для сборки этого узла требуется 1 шт.
* ориентировочный срок поставки
|
|
48 | FO10588Деталь BODY CHANNEL CUP PLUG | Деталь BODY CHANNEL CUP PLUG | |
48 |
|
|
FO10588
Деталь BODY CHANNEL CUP PLUG
ОПРОС ПОСТАВЩИКОВ...
Для сборки этого узла требуется 4 шт.
* ориентировочный срок поставки
|
|
49 | FO16128Деталь BODY CHANNEL WELCH PLUG | Деталь BODY CHANNEL WELCH PLUG | |
49 |
|
|
FO16128
Деталь BODY CHANNEL WELCH PLUG
ОПРОС ПОСТАВЩИКОВ...
Для сборки этого узла требуется 1 шт.
* ориентировочный срок поставки
|
|
50 | | Деталь THROTTLE SHUTTER | |
50 |
|
|
FO16142
Деталь THROTTLE SHUTTER
ОПРОС ПОСТАВЩИКОВ...
Для сборки этого узла требуется 1 шт.
* ориентировочный срок поставки
|
|
51 | | Деталь BY PASS TUBE | |
51 |
|
|
FO16993
Деталь BY PASS TUBE
ОПРОС ПОСТАВЩИКОВ...
Для сборки этого узла требуется 1 шт.
* ориентировочный срок поставки
|
|