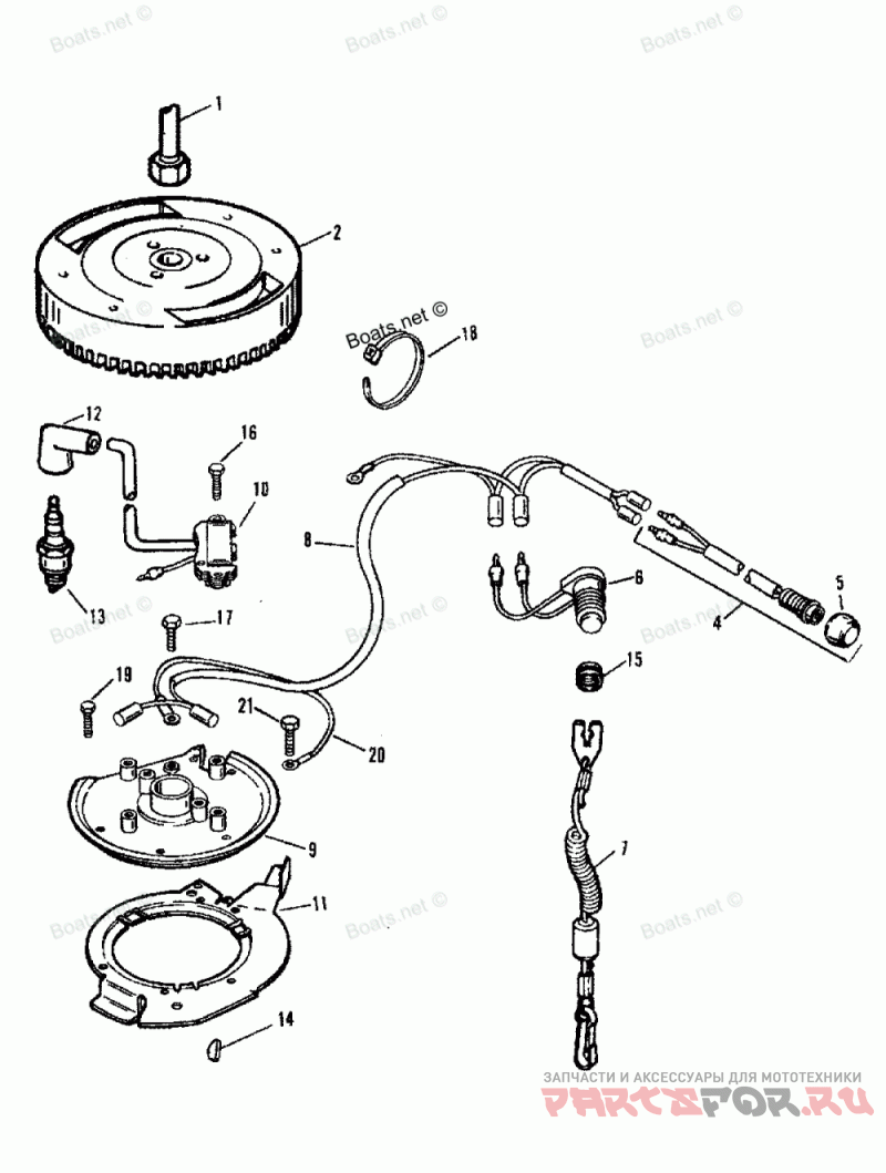
Ignition System (ser. # E090400 Thru E127699)

Force H0092C87A

Force
#oem кодцена
1
F681091
Гайка
2
824380T
Деталь FLYWHEEL (PAINTED)
4
824440A9
Деталь SWITCH ASSEMBLY-STOP
5
824466A3
Деталь COVER ASSEMBLY-STOP SWITCH
6
826214A1
Деталь SWITCH ASSEMBLY-EMERGENCY STOP
7
819399A1
Деталь LANYARD ASSEMBLY
8
819379A7
Деталь HARNESS ASSEMBLY-ENGINE STOP
9
826692T
Деталь PLATE-STATOR
11
826691
Деталь CAM-THROTTLE
12
FK1123
Деталь BOOT KIT-SPARK PLUG
13
813423
Деталь SPARK PLUG (9.9)
13
813414
Деталь SPARK PLUG (15)
13
ORDERLOC
Деталь SPARK PLUG (9.9) (RFI) (CHAMPION # RL87YC)
14
F4584981
Деталь KEY-CRANKSHAFT/FLYWHEEL
15
F681188
Деталь NUT-STOP SWITCH SLEEVE
16
824353
Деталь SCREW (8-32 X 3/4")-IGNITION MODULE
17
824352
Деталь SCREW (10-24 X 3/8")-GROUND
18
56762
Деталь CABLE TIE (4")
19
824358
Деталь SCREW (10-24 X 1/2")-STATOR PLATE
20
60466A16
Деталь WIRE ASSEMBLY-GROUND
21
824358
Деталь SCREW (10-24 X 1/2")-GROUND
-
816311
Деталь CABLE TIE (8")