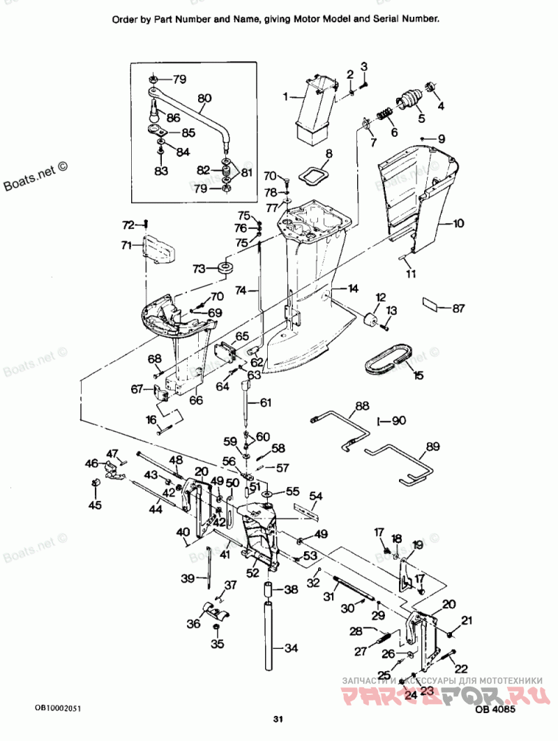
Motor Leg

Force H0856S86L

Force
#oem кодцена
1
F85660-1
Деталь EXHAUST TUBE
2
F8083
Деталь SPRING LOCKWASHER
3
F1864
Деталь HEX SLOT HD SCREW, 1/4 - 20 X 3/4
4
F85258
Вставка
5
F85130
Деталь BOOT, IDLE EXHAUST
6
F85380
Пружина
7
F85772
Зажим
8
F439736
Деталь SEAL EXHAUST TUBE
9
F1729
Заглушка
10
F178145-4
Деталь MOTOR LEG COVER, REAR
11
F1664
Пружинный Штифт
12
F438962
Деталь SHOCK MOUNT SLIDE
13
F1263
Деталь HEX SOCKET HD CAP SCREW, 5/16 - 18 X 9/16
14
F523133-2
Деталь MOTOR LEG
15
F178323
Деталь SEAL, MOTOR LEG
16
F1696
Деталь HEX BOLT, 5/16 - 18 X 1-3/4
17
F85350-1
Деталь TILT STOP PIVOT
18
F1666
Деталь BOWED SPRING WASHER
19
F85541-1
Деталь TILT LOCK
20
817958A6
Деталь STERN BRACKET
21
F7012
Деталь LOCK NUT, 1/2 - 20
22
F1593
Деталь HEX HD SCREW, 3/8 - 16 X 3
23
F1904
Деталь PLAIN WASHER
24
F1346
Деталь HEX NUT, 3/8 - 16
25
F353480
Шпилька
26
F84074
Деталь CLAMP SCREW FOOT
27
F474073-1
Деталь CLAMP SCREW
28
F8538
Пружинный Штифт
29
F9052
Заглушка
30
F523274
Масленка
31
F511125-2
Деталь TUBE, STEERING SUPPORT
32
F316599
Деталь SEAL, STEERING SUPPORT TUBE
34
FS85019
Деталь KINGPIN
35
F1669
Деталь LOCK NUT
36
F369349
Деталь REVERSE LOCK
37
F85300
Деталь REVERSE LOCK SPRING
38
F438169
Подшипник
39
F369510
Деталь LINK
40
F1744
Пружинный Штифт
41
F177350
Деталь REVERSE LOCK PIN
42
F523280
Деталь NUT, STEERING SUPPORT TUBE
43
F9018
Крышка
44
FA438113
Деталь STERN BRACKET LOCK BAR
45
F286461
Деталь SPRING LOCK BAR HANDLE
46
F433114
Деталь HANDLE, LOCK BAR
47
F1744
Пружинный Штифт
48
F85037-1
Деталь STERN BRACKET PIVOT BOLT
49
F84286-1
Деталь FRICTION WASHER
50
F85426
Деталь TILT STOP
51
F483884
Подшипник
52
817783A5
Деталь SWIVEL BRACKET
53
F213274
Масленка
54
F529390-1
Деталь DECAL, REVERSE LOCK
55
F84011
Шайба
56
F369364
Деталь REVERSE LOCK ARM
57
F1836
Пружинный Штифт
58
F1014
Шплинт
59
F8094
Деталь PLAIN WASHER
60
F197813
Подшипник
61
817946A2
Деталь HANDLE AND SHAFT
62
F85704
Деталь COUPLER, GEARSHIFT ROD, UPPER
63
F8096
Деталь SPRING LOCKWASHER
64
F1822
Деталь HEX BOLT, 5/16 - 18 X 7/8
65
F438346
Деталь SHOCK MOUNT, LOWER
66
FA85135-4
Деталь LEG COVER, FRONT
67
F85606
Деталь KINGPIN CAP
68
F2030
Деталь HEX HD SCREW, 1/4 - 20 X 1-1/4
69
F1703
Деталь SPRING LOCKWASHER
70
F1871
Деталь HEX HD SCREW, 3/8 - 16 X 3/4
71
F85779-1
Деталь BAFFLE, AIR INTAKE
72
F1912
Деталь HEX HD SCREW, 10 - 24 X 1/2
73
F85965
Деталь SHOCK MOUNT, UPPER
74
F85615-1
Деталь GEAR SHIFT ROD, UPPER
75
F2108
Деталь LOCK NUT, 5/16 - 18
76
F1987
Деталь PLAIN WASHER
77
FA85355-1
Деталь WASHER SHOCK MOUNT UPPER W/WASHER
78
F2014
Деталь PLAIN WASHER
79
F2093
Деталь STOP NUT 3/8 - 24
81
F8038
Деталь PLAIN WASHER
82
F523300-1
Пружина
83
F1280
Деталь PAN HD SCREW, 8 - 32 X 1/4
84
F8080
Деталь SPRING LOCKWASHER
85
F523930
Седло
86
F523273
Деталь STEERING BALL STUD
87
F598387
Деталь DECAL, POWER FLOW
88
F5H115
Деталь TRAILERING BRACKET (W/OUT POWER TRIM)
89
F5H179
Деталь TRAILERING BRACKET (W/POWER TRIM)
90
F525629
Деталь COTTER PIN FOR 5H179