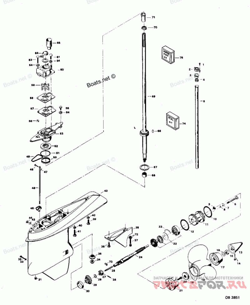
1 | F1705Деталь HEX CAP SCREW, 1/4 - 20 X 3/4 | Деталь HEX CAP SCREW, 1/4 - 20 X 3/4 | |
1 |
|
|
F1705
Деталь HEX CAP SCREW, 1/4 - 20 X 3/4
ОПРОС ПОСТАВЩИКОВ...
Для сборки этого узла требуется 2 шт.
* ориентировочный срок поставки
|
|
2 | F85117Деталь BRACKET, WATER LINE | Деталь BRACKET, WATER LINE | |
2 |
|
|
F85117
Деталь BRACKET, WATER LINE
ОПРОС ПОСТАВЩИКОВ...
Для сборки этого узла требуется 1 шт.
* ориентировочный срок поставки
|
|
3 | F84342Деталь SEAL, INLET WATER LINE UPPER | Деталь SEAL, INLET WATER LINE UPPER | |
3 |
|
|
F84342
Деталь SEAL, INLET WATER LINE UPPER
ОПРОС ПОСТАВЩИКОВ...
Для сборки этого узла требуется 1 шт.
* ориентировочный срок поставки
|
|
4 | | Деталь GROMMET, WATER LINE | |
4 |
|
|
F523899
Деталь GROMMET, WATER LINE
ОПРОС ПОСТАВЩИКОВ...
Для сборки этого узла требуется 1 шт.
* ориентировочный срок поставки
|
|
5 | | Деталь INLET WATER LINE | |
5 |
|
|
F523244
Деталь INLET WATER LINE
ОПРОС ПОСТАВЩИКОВ...
Для сборки этого узла требуется 1 шт.
* ориентировочный срок поставки
|
|
6 | F1885Деталь HEX CAP SCREW, 5/16 - 18 X 4-1/4 | Деталь HEX CAP SCREW, 5/16 - 18 X 4-1/4 | |
6 |
|
|
F1885
Деталь HEX CAP SCREW, 5/16 - 18 X 4-1/4
ОПРОС ПОСТАВЩИКОВ...
Для сборки этого узла требуется 4 шт.
* ориентировочный срок поставки
|
|
7 | | Деталь PLAIN WASHER | |
7 |
|
|
F1907
Деталь PLAIN WASHER
ОПРОС ПОСТАВЩИКОВ...
Для сборки этого узла требуется 4 шт.
* ориентировочный срок поставки
|
|
8 | | Деталь SEAL, BEARING CAGE BOLTS | |
8 |
|
|
F50342-1
Деталь SEAL, BEARING CAGE BOLTS
ОПРОС ПОСТАВЩИКОВ...
Для сборки этого узла требуется 4 шт.
* ориентировочный срок поставки
|
|
9 | F506118Деталь SEAL, PROPELLER SHAFT | Деталь SEAL, PROPELLER SHAFT | |
9 |
|
|
F506118
Деталь SEAL, PROPELLER SHAFT
ОПРОС ПОСТАВЩИКОВ...
Для сборки этого узла требуется 1 шт.
* ориентировочный срок поставки
|
|
10 | F24278Деталь SEAL, O-RING PROPELLER SHAFT SPOOL | Деталь SEAL, O-RING PROPELLER SHAFT SPOOL | |
10 |
|
|
F24278
Деталь SEAL, O-RING PROPELLER SHAFT SPOOL
ОПРОС ПОСТАВЩИКОВ...
Для сборки этого узла требуется 1 шт.
* ориентировочный срок поставки
|
|
11 | F2A523239Деталь SPOOL, PROPELLER SHAFT BEARING | Деталь SPOOL, PROPELLER SHAFT BEARING | |
11 |
|
|
F2A523239
Деталь SPOOL, PROPELLER SHAFT BEARING
ОПРОС ПОСТАВЩИКОВ...
Для сборки этого узла требуется 1 шт.
* ориентировочный срок поставки
|
|
12 | F84305Деталь SEAL, PROPELLER SHAFT BEARING SPOOL | Деталь SEAL, PROPELLER SHAFT BEARING SPOOL | |
12 |
|
|
F84305
Деталь SEAL, PROPELLER SHAFT BEARING SPOOL
ОПРОС ПОСТАВЩИКОВ...
Для сборки этого узла требуется 1 шт.
* ориентировочный срок поставки
|
|
13 | | Деталь PROPELLER NUT | |
13 |
|
|
F523094-2
Деталь PROPELLER NUT
ОПРОС ПОСТАВЩИКОВ...
Для сборки этого узла требуется 1 шт.
* ориентировочный срок поставки
|
|
14 | F498891Деталь PIN, PROPELLER NUT RETAINING | Деталь PIN, PROPELLER NUT RETAINING | |
14 |
|
|
F498891
Деталь PIN, PROPELLER NUT RETAINING
ОПРОС ПОСТАВЩИКОВ...
Для сборки этого узла требуется 1 шт.
* ориентировочный срок поставки
|
|
15 | | Деталь STOP NUT | |
15 |
|
|
F1788
Деталь STOP NUT
ОПРОС ПОСТАВЩИКОВ...
Для сборки этого узла требуется 1 шт.
* ориентировочный срок поставки
|
|
16 | | Деталь PLAIN WASHER | |
16 |
|
|
F1866
Деталь PLAIN WASHER
ОПРОС ПОСТАВЩИКОВ...
Для сборки этого узла требуется 1 шт.
* ориентировочный срок поставки
|
|
17 | F5H119Деталь WASHER, PROPELLER SPLINE (ACCESSORY ITEM) | Деталь WASHER, PROPELLER SPLINE (ACCESSORY ITEM) | |
17 |
|
|
F5H119
Деталь WASHER, PROPELLER SPLINE (ACCESSORY ITEM)
ОПРОС ПОСТАВЩИКОВ...
Для сборки этого узла требуется 1 шт.
* ориентировочный срок поставки
|
|
18 | FPS524Деталь PROPELLER (ACCESSORY ITEM) | Деталь PROPELLER (ACCESSORY ITEM) | |
18 |
|
|
FPS524
Деталь PROPELLER (ACCESSORY ITEM)
ОПРОС ПОСТАВЩИКОВ...
Для сборки этого узла требуется 1 шт.
* ориентировочный срок поставки
|
|
19 | | Деталь SPACER, PROPELLER | |
19 |
|
|
F523099-1
Деталь SPACER, PROPELLER
ОПРОС ПОСТАВЩИКОВ...
Для сборки этого узла требуется 1 шт.
* ориентировочный срок поставки
|
|
20 | F1577Деталь FILL HD SCREW, 1/4 - 20 X 3/4 | Деталь FILL HD SCREW, 1/4 - 20 X 3/4 | |
20 |
|
|
F1577
Деталь FILL HD SCREW, 1/4 - 20 X 3/4
ОПРОС ПОСТАВЩИКОВ...
Для сборки этого узла требуется 2 шт.
* ориентировочный срок поставки
|
|
21 | | Деталь ANTI-CORROSION ANODE | |
21 |
|
|
FA523485
Деталь ANTI-CORROSION ANODE
ОПРОС ПОСТАВЩИКОВ...
Для сборки этого узла требуется 1 шт.
* ориентировочный срок поставки
|
|
22 | F2A498662Деталь BEVEL GEAR REAR W/BEARING CAGE, SPACER AND BEARING | Деталь BEVEL GEAR REAR W/BEARING CAGE, SPACER AND BEARING | |
22 |
|
|
F2A498662
Деталь BEVEL GEAR REAR W/BEARING CAGE, SPACER AND BEARING
ОПРОС ПОСТАВЩИКОВ...
Для сборки этого узла требуется 1 шт.
* ориентировочный срок поставки
|
|
23 | | Стопорное кольцо | |
23 |
|
|
F523411
Стопорное кольцо
ОПРОС ПОСТАВЩИКОВ...
Для сборки этого узла требуется 2 шт.
* ориентировочный срок поставки
|
|
24 | | Вал гребного винта | |
24 |
|
|
FA523098
Вал гребного винта
ОПРОС ПОСТАВЩИКОВ...
Для сборки этого узла требуется 1 шт.
* ориентировочный срок поставки
|
|
25 | | Деталь PIN, GEAR SHIFT | |
25 |
|
|
F84871-1
Деталь PIN, GEAR SHIFT
ОПРОС ПОСТАВЩИКОВ...
Для сборки этого узла требуется 1 шт.
* ориентировочный срок поставки
|
|
26 | | Пружинный Штифт | |
26 |
|
|
F1713
Пружинный Штифт
ОПРОС ПОСТАВЩИКОВ...
Для сборки этого узла требуется 1 шт.
* ориентировочный срок поставки
|
|
27 | | Муфта сцепления | |
27 |
|
|
F84521-2
Муфта сцепления
ОПРОС ПОСТАВЩИКОВ...
Для сборки этого узла требуется 1 шт.
* ориентировочный срок поставки
|
|
28 | F1936Деталь SPACER, BEVEL GEAR FRONT .059 | Деталь SPACER, BEVEL GEAR FRONT .059 | |
28 |
|
|
F1936
Деталь SPACER, BEVEL GEAR FRONT .059
ОПРОС ПОСТАВЩИКОВ...
* ориентировочный срок поставки
|
|
- | F1937Деталь SPACER, BEVEL GEAR FRONT .062 | Деталь SPACER, BEVEL GEAR FRONT .062 | |
- |
|
|
F1937
Деталь SPACER, BEVEL GEAR FRONT .062
ОПРОС ПОСТАВЩИКОВ...
* ориентировочный срок поставки
|
|
- | F1938Деталь SPACER, BEVEL GEAR FRONT .065 | Деталь SPACER, BEVEL GEAR FRONT .065 | |
- |
|
|
F1938
Деталь SPACER, BEVEL GEAR FRONT .065
ОПРОС ПОСТАВЩИКОВ...
* ориентировочный срок поставки
|
|
- | F1939Деталь SPACER, BEVEL GEAR FRONT .068 | Деталь SPACER, BEVEL GEAR FRONT .068 | |
- |
|
|
F1939
Деталь SPACER, BEVEL GEAR FRONT .068
ОПРОС ПОСТАВЩИКОВ...
* ориентировочный срок поставки
|
|
- | F1940Деталь SPACER, BEVEL GEAR FRONT .071 | Деталь SPACER, BEVEL GEAR FRONT .071 | |
- |
|
|
F1940
Деталь SPACER, BEVEL GEAR FRONT .071
ОПРОС ПОСТАВЩИКОВ...
* ориентировочный срок поставки
|
|
- | F1941Деталь SPACER, BEVEL GEAR FRONT .074 | Деталь SPACER, BEVEL GEAR FRONT .074 | |
- |
|
|
F1941
Деталь SPACER, BEVEL GEAR FRONT .074
ОПРОС ПОСТАВЩИКОВ...
* ориентировочный срок поставки
|
|
- | F1942Деталь SPACER, BEVEL GEAR FRONT .077 | Деталь SPACER, BEVEL GEAR FRONT .077 | |
- |
|
|
F1942
Деталь SPACER, BEVEL GEAR FRONT .077
ОПРОС ПОСТАВЩИКОВ...
* ориентировочный срок поставки
|
|
- | F2113Деталь SPACER, BEVEL GEAR FRONT .080 | Деталь SPACER, BEVEL GEAR FRONT .080 | |
- |
|
|
F2113
Деталь SPACER, BEVEL GEAR FRONT .080
ОПРОС ПОСТАВЩИКОВ...
* ориентировочный срок поставки
|
|
- | F2114Деталь SPACER, BEVEL GEAR FRONT .083 | Деталь SPACER, BEVEL GEAR FRONT .083 | |
- |
|
|
F2114
Деталь SPACER, BEVEL GEAR FRONT .083
ОПРОС ПОСТАВЩИКОВ...
* ориентировочный срок поставки
|
|
- | F2115Деталь SPACER, BEVEL GEAR FRONT .086 | Деталь SPACER, BEVEL GEAR FRONT .086 | |
- |
|
|
F2115
Деталь SPACER, BEVEL GEAR FRONT .086
ОПРОС ПОСТАВЩИКОВ...
* ориентировочный срок поставки
|
|
- | F2116Деталь SPACER, BEVEL GEAR FRONT .089 | Деталь SPACER, BEVEL GEAR FRONT .089 | |
- |
|
|
F2116
Деталь SPACER, BEVEL GEAR FRONT .089
ОПРОС ПОСТАВЩИКОВ...
* ориентировочный срок поставки
|
|
- | F2121Деталь SPACER, BEVEL GEAR FRONT .057 | Деталь SPACER, BEVEL GEAR FRONT .057 | |
- |
|
|
F2121
Деталь SPACER, BEVEL GEAR FRONT .057
ОПРОС ПОСТАВЩИКОВ...
* ориентировочный срок поставки
|
|
- | F2122Деталь SPACER, BEVEL GEAR FRONT .054 | Деталь SPACER, BEVEL GEAR FRONT .054 | |
- |
|
|
F2122
Деталь SPACER, BEVEL GEAR FRONT .054
ОПРОС ПОСТАВЩИКОВ...
* ориентировочный срок поставки
|
|
29 | 818062A3Деталь BEVEL GEAR FRONT W/BEARING | Деталь BEVEL GEAR FRONT W/BEARING | |
29 |
|
|
818062A3
Деталь BEVEL GEAR FRONT W/BEARING
ОПРОС ПОСТАВЩИКОВ...
Для сборки этого узла требуется 1 шт.
* ориентировочный срок поставки
|
|
30 | | Деталь BEARING CUP | |
30 |
|
|
F523813
Деталь BEARING CUP
ОПРОС ПОСТАВЩИКОВ...
Для сборки этого узла требуется 1 шт.
* ориентировочный срок поставки
|
|
31 | F19109Деталь PLUG, GEAR HOUSING | Деталь PLUG, GEAR HOUSING | |
31 |
|
|
F19109
Деталь PLUG, GEAR HOUSING
ОПРОС ПОСТАВЩИКОВ...
Для сборки этого узла требуется 1 шт.
* ориентировочный срок поставки
|
|
32 | | Деталь PIN, GEAR SHIFT ARM | |
32 |
|
|
F498891
Деталь PIN, GEAR SHIFT ARM
ОПРОС ПОСТАВЩИКОВ...
Для сборки этого узла требуется 1 шт.
* ориентировочный срок поставки
|
|
33 | | Уплотнение | |
33 |
|
|
F498618
Уплотнение
ОПРОС ПОСТАВЩИКОВ...
Для сборки этого узла требуется 1 шт.
* ориентировочный срок поставки
|
|
34 | F523188Деталь NUT, BEVEL PINION RETAINING | Деталь NUT, BEVEL PINION RETAINING | |
34 |
|
|
F523188
Деталь NUT, BEVEL PINION RETAINING
ОПРОС ПОСТАВЩИКОВ...
Для сборки этого узла требуется 1 шт.
* ориентировочный срок поставки
|
|
35 | | Деталь BEVEL PINION GEAR | |
35 |
|
|
817830A2
Деталь BEVEL PINION GEAR
ОПРОС ПОСТАВЩИКОВ...
Для сборки этого узла требуется 1 шт.
* ориентировочный срок поставки
|
|
36 | | Деталь RETAINER, SNOUT | |
36 |
|
|
F438930
Деталь RETAINER, SNOUT
ОПРОС ПОСТАВЩИКОВ...
Для сборки этого узла требуется 1 шт.
* ориентировочный срок поставки
|
|
37 | F1994Деталь HEX SOCKET HD CAP SCREW, 5/16 - 18 X 1 | Деталь HEX SOCKET HD CAP SCREW, 5/16 - 18 X 1 | |
37 |
|
|
F1994
Деталь HEX SOCKET HD CAP SCREW, 5/16 - 18 X 1
ОПРОС ПОСТАВЩИКОВ...
Для сборки этого узла требуется 1 шт.
* ориентировочный срок поставки
|
|
38 | | Деталь EXHAUST SNOUT | |
38 |
|
|
F523116-1
Деталь EXHAUST SNOUT
ОПРОС ПОСТАВЩИКОВ...
Для сборки этого узла требуется 1 шт.
* ориентировочный срок поставки
|
|
39 | F1858Деталь HEX CAP SCREW, 5/16 - 18 X 1 | Деталь HEX CAP SCREW, 5/16 - 18 X 1 | |
39 |
|
|
F1858
Деталь HEX CAP SCREW, 5/16 - 18 X 1
ОПРОС ПОСТАВЩИКОВ...
Для сборки этого узла требуется 1 шт.
* ориентировочный срок поставки
|
|
40 | F8096Деталь SPRING LOCKWASHER | Деталь SPRING LOCKWASHER | |
40 |
|
|
F8096
Деталь SPRING LOCKWASHER
ОПРОС ПОСТАВЩИКОВ...
Для сборки этого узла требуется 7 шт.
* ориентировочный срок поставки
|
|
41 | F1491Деталь HEX CAP SCREW, 5/16 - 18 X 3-1/4 | Деталь HEX CAP SCREW, 5/16 - 18 X 3-1/4 | |
41 |
|
|
F1491
Деталь HEX CAP SCREW, 5/16 - 18 X 3-1/4
ОПРОС ПОСТАВЩИКОВ...
Для сборки этого узла требуется 6 шт.
* ориентировочный срок поставки
|
|
42 | | Деталь GEAR HOUSING | |
42 |
|
|
FA523054
Деталь GEAR HOUSING
ОПРОС ПОСТАВЩИКОВ...
Для сборки этого узла требуется 1 шт.
* ориентировочный срок поставки
|
|
- | | Деталь GEAR HOUSING COMPLETE | |
- |
|
|
819196A3
Деталь GEAR HOUSING COMPLETE
ОПРОС ПОСТАВЩИКОВ...
Для сборки этого узла требуется 1 шт.
* ориентировочный срок поставки
|
|
43 | F8077Деталь WASHER, GEAR HOUSING PLUG | Деталь WASHER, GEAR HOUSING PLUG | |
43 |
|
|
F8077
Деталь WASHER, GEAR HOUSING PLUG
ОПРОС ПОСТАВЩИКОВ...
Для сборки этого узла требуется 3 шт.
* ориентировочный срок поставки
|
|
44 | F50109Деталь PLUG, GEAR HOUSING | Деталь PLUG, GEAR HOUSING | |
44 |
|
|
F50109
Деталь PLUG, GEAR HOUSING
ОПРОС ПОСТАВЩИКОВ...
Для сборки этого узла требуется 3 шт.
* ориентировочный срок поставки
|
|
45 | FA84621-1Деталь COUPLING, GEAR SHIFT ARM W/BUSHING | Деталь COUPLING, GEAR SHIFT ARM W/BUSHING | |
45 |
|
|
FA84621-1
Деталь COUPLING, GEAR SHIFT ARM W/BUSHING
ОПРОС ПОСТАВЩИКОВ...
Для сборки этого узла требуется 1 шт.
* ориентировочный срок поставки
|
|
46 | F523705Деталь GEAR SHIFT ROD, LOWER | Деталь GEAR SHIFT ROD, LOWER | |
46 |
|
|
F523705
Деталь GEAR SHIFT ROD, LOWER
ОПРОС ПОСТАВЩИКОВ...
Для сборки этого узла требуется 1 шт.
* ориентировочный срок поставки
|
|
47 | | Шплинт | |
47 |
|
|
F1015
Шплинт
ОПРОС ПОСТАВЩИКОВ...
Для сборки этого узла требуется 1 шт.
* ориентировочный срок поставки
|
|
48 | F85372Деталь PIN, GEAR SHIFT ROD, LOWER | Деталь PIN, GEAR SHIFT ROD, LOWER | |
48 |
|
|
F85372
Деталь PIN, GEAR SHIFT ROD, LOWER
ОПРОС ПОСТАВЩИКОВ...
Для сборки этого узла требуется 1 шт.
* ориентировочный срок поставки
|
|
49 | F523555Деталь SEAL, O-RING - GEAR HOUSING COVER | Деталь SEAL, O-RING - GEAR HOUSING COVER | |
49 |
|
|
F523555
Деталь SEAL, O-RING - GEAR HOUSING COVER
ОПРОС ПОСТАВЩИКОВ...
Для сборки этого узла требуется 1 шт.
* ориентировочный срок поставки
|
|
50 | | Кольцо уплотнительное | |
50 |
|
|
F523961
Кольцо уплотнительное
ОПРОС ПОСТАВЩИКОВ...
Для сборки этого узла требуется 1 шт.
* ориентировочный срок поставки
|
|
51 | F74305Деталь SEAL, DRIVESHAFT BEARING CAGE | Деталь SEAL, DRIVESHAFT BEARING CAGE | |
51 |
|
|
F74305
Деталь SEAL, DRIVESHAFT BEARING CAGE
ОПРОС ПОСТАВЩИКОВ...
Для сборки этого узла требуется 1 шт.
* ориентировочный срок поставки
|
|
52 | | Деталь SEAL, DRIVESHAFT | |
52 |
|
|
F506118
Деталь SEAL, DRIVESHAFT
ОПРОС ПОСТАВЩИКОВ...
Для сборки этого узла требуется 1 шт.
* ориентировочный срок поставки
|
|
53 | | Деталь GEAR HOUSING COVER | |
53 |
|
|
F2A550706
Деталь GEAR HOUSING COVER
ОПРОС ПОСТАВЩИКОВ...
Для сборки этого узла требуется 1 шт.
* ориентировочный срок поставки
|
|
54 | F8083Деталь SPRING LOCKWASHER | Деталь SPRING LOCKWASHER | |
54 |
|
|
F8083
Деталь SPRING LOCKWASHER
ОПРОС ПОСТАВЩИКОВ...
Для сборки этого узла требуется 7 шт.
* ориентировочный срок поставки
|
|
55 | F2008Деталь HEX CAP SCREW, 1/4 - 20 X 7/8 | Деталь HEX CAP SCREW, 1/4 - 20 X 7/8 | |
55 |
|
|
F2008
Деталь HEX CAP SCREW, 1/4 - 20 X 7/8
ОПРОС ПОСТАВЩИКОВ...
Для сборки этого узла требуется 3 шт.
* ориентировочный срок поставки
|
|
56 | | Деталь SEAL, GEAR SHIFT ROD | |
56 |
|
|
F338618-1
Деталь SEAL, GEAR SHIFT ROD
ОПРОС ПОСТАВЩИКОВ...
Для сборки этого узла требуется 1 шт.
* ориентировочный срок поставки
|
|
57 | | Прокладка водяной помпы | |
57 |
|
|
F523031
Прокладка водяной помпы
ОПРОС ПОСТАВЩИКОВ...
Для сборки этого узла требуется 1 шт.
* ориентировочный срок поставки
|
|
58 | F523562Деталь WATER PUMP BACK PLATE | Деталь WATER PUMP BACK PLATE | |
58 |
|
|
F523562
Деталь WATER PUMP BACK PLATE
ОПРОС ПОСТАВЩИКОВ...
Для сборки этого узла требуется 1 шт.
* ориентировочный срок поставки
|
|
59 | | Деталь WATER PUMP IMPELLER | |
59 |
|
|
F523065-1
Деталь WATER PUMP IMPELLER
ОПРОС ПОСТАВЩИКОВ...
Для сборки этого узла требуется 1 шт.
* ориентировочный срок поставки
|
|
60 | | Деталь WATER PUMP BODY | |
60 |
|
|
817853A1
Деталь WATER PUMP BODY
ОПРОС ПОСТАВЩИКОВ...
Для сборки этого узла требуется 1 шт.
* ориентировочный срок поставки
|
|
61 | F1990Деталь HEX CAP SCREW, 1/4 - 20 X 1-5/8 | Деталь HEX CAP SCREW, 1/4 - 20 X 1-5/8 | |
61 |
|
|
F1990
Деталь HEX CAP SCREW, 1/4 - 20 X 1-5/8
ОПРОС ПОСТАВЩИКОВ...
Для сборки этого узла требуется 2 шт.
* ориентировочный срок поставки
|
|
62 | F480388Деталь DISC, WATER PUMP LOCATING | Деталь DISC, WATER PUMP LOCATING | |
62 |
|
|
F480388
Деталь DISC, WATER PUMP LOCATING
ОПРОС ПОСТАВЩИКОВ...
Для сборки этого узла требуется 1 шт.
* ориентировочный срок поставки
|
|
63 | F1425Деталь HEX CAP SCREW, 1/4 - 20 X 2-5/8 | Деталь HEX CAP SCREW, 1/4 - 20 X 2-5/8 | |
63 |
|
|
F1425
Деталь HEX CAP SCREW, 1/4 - 20 X 2-5/8
ОПРОС ПОСТАВЩИКОВ...
Для сборки этого узла требуется 2 шт.
* ориентировочный срок поставки
|
|
64 | | Сальник водяного насоса | |
64 |
|
|
F351307
Сальник водяного насоса
ОПРОС ПОСТАВЩИКОВ...
Для сборки этого узла требуется 1 шт.
* ориентировочный срок поставки
|
|
65 | FA523735Деталь SEAL, INLET WATER LINE LOWER | Деталь SEAL, INLET WATER LINE LOWER | |
65 |
|
|
FA523735
Деталь SEAL, INLET WATER LINE LOWER
ОПРОС ПОСТАВЩИКОВ...
Для сборки этого узла требуется 1 шт.
* ориентировочный срок поставки
|
|
66 | F523057Деталь BEARING, DRIVESHAFT LOWER | Деталь BEARING, DRIVESHAFT LOWER | |
66 |
|
|
F523057
Деталь BEARING, DRIVESHAFT LOWER
ОПРОС ПОСТАВЩИКОВ...
Для сборки этого узла требуется 1 шт.
* ориентировочный срок поставки
|
|
67 | F9106Деталь SHIM, DRIVESHAFT BEARING UPPER .033 - BRASS | Деталь SHIM, DRIVESHAFT BEARING UPPER .033 - BRASS | |
67 |
|
|
F9106
Деталь SHIM, DRIVESHAFT BEARING UPPER .033 - BRASS
ОПРОС ПОСТАВЩИКОВ...
* ориентировочный срок поставки
|
|
- | F9095Деталь SHIM, DRIVESHAFT BEARING UPPER .005 - SILVER | Деталь SHIM, DRIVESHAFT BEARING UPPER .005 - SILVER | |
- |
|
|
F9095
Деталь SHIM, DRIVESHAFT BEARING UPPER .005 - SILVER
ОПРОС ПОСТАВЩИКОВ...
* ориентировочный срок поставки
|
|
- | F9097Деталь SHIM, DRIVESHAFT BEARING UPPER .010 - BLACK | Деталь SHIM, DRIVESHAFT BEARING UPPER .010 - BLACK | |
- |
|
|
F9097
Деталь SHIM, DRIVESHAFT BEARING UPPER .010 - BLACK
ОПРОС ПОСТАВЩИКОВ...
* ориентировочный срок поставки
|
|
68 | F523498Деталь DRIVE KEY, WATER PUMP | Деталь DRIVE KEY, WATER PUMP | |
68 |
|
|
F523498
Деталь DRIVE KEY, WATER PUMP
ОПРОС ПОСТАВЩИКОВ...
Для сборки этого узла требуется 1 шт.
* ориентировочный срок поставки
|
|
69 | | Деталь DRIVESHAFT | |
69 |
|
|
FK616128
Деталь DRIVESHAFT
ОПРОС ПОСТАВЩИКОВ...
Для сборки этого узла требуется 1 шт.
* ориентировочный срок поставки
|
|
70 | F438271Деталь RETAINER, CRANKSHAFT SPLINE SEAL | Деталь RETAINER, CRANKSHAFT SPLINE SEAL | |
70 |
|
|
F438271
Деталь RETAINER, CRANKSHAFT SPLINE SEAL
ОПРОС ПОСТАВЩИКОВ...
Для сборки этого узла требуется 1 шт.
* ориентировочный срок поставки
|
|
71 | F438129Деталь SEAL, DRIVESHAFT SPLINE | Деталь SEAL, DRIVESHAFT SPLINE | |
71 |
|
|
F438129
Деталь SEAL, DRIVESHAFT SPLINE
ОПРОС ПОСТАВЩИКОВ...
Для сборки этого узла требуется 1 шт.
* ориентировочный срок поставки
|
|
72 | | Деталь PLAIN WASHER | |
72 |
|
|
F1856
Деталь PLAIN WASHER
ОПРОС ПОСТАВЩИКОВ...
Для сборки этого узла требуется 2 шт.
* ориентировочный срок поставки
|
|
73 | | Вилка карданного вала | |
73 |
|
|
F90619-1
Вилка карданного вала
ОПРОС ПОСТАВЩИКОВ...
Для сборки этого узла требуется 1 шт.
* ориентировочный срок поставки
|
|
74 | | Комплект сальников | |
74 |
|
|
FK1063-2
Комплект сальников
ОПРОС ПОСТАВЩИКОВ...
Для сборки этого узла требуется 1 шт.
* ориентировочный срок поставки
|
|
| | Деталь BEARING CAGE BOLT SEAL | |
|
|
|
F50342-1
Деталь BEARING CAGE BOLT SEAL
ОПРОС ПОСТАВЩИКОВ...
Для сборки этого узла требуется 4 шт.
* ориентировочный срок поставки
|
|
| | Деталь PROPELLER SHAFT SEAL | |
|
|
|
F506118
Деталь PROPELLER SHAFT SEAL
ОПРОС ПОСТАВЩИКОВ...
Для сборки этого узла требуется 1 шт.
* ориентировочный срок поставки
|
|
| F24278Деталь PROPELLER SHAFT SPOOL SEAL | Деталь PROPELLER SHAFT SPOOL SEAL | |
|
|
|
F24278
Деталь PROPELLER SHAFT SPOOL SEAL
ОПРОС ПОСТАВЩИКОВ...
Для сборки этого узла требуется 1 шт.
* ориентировочный срок поставки
|
|
| F84305Деталь PROPELLER SHAFT SPOOL SEAL | Деталь PROPELLER SHAFT SPOOL SEAL | |
|
|
|
F84305
Деталь PROPELLER SHAFT SPOOL SEAL
ОПРОС ПОСТАВЩИКОВ...
Для сборки этого узла требуется 1 шт.
* ориентировочный срок поставки
|
|
| F498618Деталь GEAR SHIFT ARM PIN SEAL | Деталь GEAR SHIFT ARM PIN SEAL | |
|
|
|
F498618
Деталь GEAR SHIFT ARM PIN SEAL
ОПРОС ПОСТАВЩИКОВ...
Для сборки этого узла требуется 1 шт.
* ориентировочный срок поставки
|
|
| | Шайба | |
|
|
|
F8077
Шайба
ОПРОС ПОСТАВЩИКОВ...
Для сборки этого узла требуется 3 шт.
* ориентировочный срок поставки
|
|
| F523555Деталь GEAR HOUSING COVER SEAL | Деталь GEAR HOUSING COVER SEAL | |
|
|
|
F523555
Деталь GEAR HOUSING COVER SEAL
ОПРОС ПОСТАВЩИКОВ...
Для сборки этого узла требуется 1 шт.
* ориентировочный срок поставки
|
|
| F74305Деталь GEAR HOUSING COVER SEAL | Деталь GEAR HOUSING COVER SEAL | |
|
|
|
F74305
Деталь GEAR HOUSING COVER SEAL
ОПРОС ПОСТАВЩИКОВ...
Для сборки этого узла требуется 1 шт.
* ориентировочный срок поставки
|
|
| | Деталь DRIVE SHAFT SEAL | |
|
|
|
F84307-1
Деталь DRIVE SHAFT SEAL
ОПРОС ПОСТАВЩИКОВ...
Для сборки этого узла требуется 1 шт.
* ориентировочный срок поставки
|
|
| | Деталь GEAR SHIFT ROD SEAL | |
|
|
|
F338618-1
Деталь GEAR SHIFT ROD SEAL
ОПРОС ПОСТАВЩИКОВ...
Для сборки этого узла требуется 1 шт.
* ориентировочный срок поставки
|
|
75 | | Рем.комплект помпы | |
75 |
|
|
FK1069
Рем.комплект помпы
ОПРОС ПОСТАВЩИКОВ...
Для сборки этого узла требуется 1 шт.
* ориентировочный срок поставки
|
|
| F1425Деталь HEX CAP SCREW, 1/4 - 20 X 5/8 | Деталь HEX CAP SCREW, 1/4 - 20 X 5/8 | |
|
|
|
F1425
Деталь HEX CAP SCREW, 1/4 - 20 X 5/8
ОПРОС ПОСТАВЩИКОВ...
Для сборки этого узла требуется 2 шт.
* ориентировочный срок поставки
|
|
| F1990Деталь HEX CAP SCREW | Деталь HEX CAP SCREW | |
|
|
|
F1990
Деталь HEX CAP SCREW
ОПРОС ПОСТАВЩИКОВ...
Для сборки этого узла требуется 2 шт.
* ориентировочный срок поставки
|
|
| F8083Деталь SPRING LOCKWASHER | Деталь SPRING LOCKWASHER | |
|
|
|
F8083
Деталь SPRING LOCKWASHER
ОПРОС ПОСТАВЩИКОВ...
Для сборки этого узла требуется 4 шт.
* ориентировочный срок поставки
|
|
| | Прокладка водяной помпы | |
|
|
|
F523031
Прокладка водяной помпы
ОПРОС ПОСТАВЩИКОВ...
Для сборки этого узла требуется 1 шт.
* ориентировочный срок поставки
|
|
| | Импиллер | |
|
|
|
F523065-1
Импиллер
ОПРОС ПОСТАВЩИКОВ...
Для сборки этого узла требуется 1 шт.
* ориентировочный срок поставки
|
|
| | Шпонка | |
|
|
|
F523498
Шпонка
ОПРОС ПОСТАВЩИКОВ...
Для сборки этого узла требуется 1 шт.
* ориентировочный срок поставки
|
|
| | Пластина водяной помпы | |
|
|
|
F523562
Пластина водяной помпы
ОПРОС ПОСТАВЩИКОВ...
Для сборки этого узла требуется 1 шт.
* ориентировочный срок поставки
|
|
| | Помпа водяная | |
|
|
|
817853A1
Помпа водяная
ОПРОС ПОСТАВЩИКОВ...
Для сборки этого узла требуется 1 шт.
* ориентировочный срок поставки
|
|