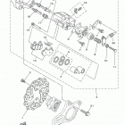
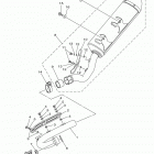
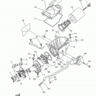
Yamaha YFZ 450R 4x2 2013

Неоригинальные запчасти Parts Unlimited