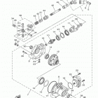
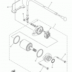
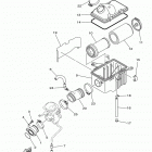
GRIZZLY 450 EPS 4WD HUNTER YFM45FGPHD (2013)

Оригинальные запчасти для квадроциклов Yamaha

Выбор узла

GRIZZLY 450 EPS 4WD HUNTER YFM45FGPHD (2013)

Yamaha Grizzly 450 EPS 4x4 2013

Неоригинальные запчасти Parts Unlimited