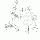
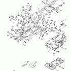
BIG BEAR 400 4WD HUNTER YFM40FBHZ (2010)

Оригинальные запчасти для квадроциклов Yamaha

Выбор узла

BIG BEAR 400 4WD HUNTER YFM40FBHZ (2010)

Yamaha Big Bear 400 2010

Неоригинальные запчасти Parts Unlimited