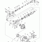
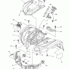
Grizzly 450 4WD Hunter YFM45FGHY (2009)

Оригинальные запчасти для квадроциклов Yamaha

Выбор узла

Grizzly 450 4WD Hunter YFM45FGHY (2009)

Yamaha Grizzly 450 4x4 2009

Неоригинальные запчасти Parts Unlimited