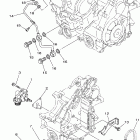
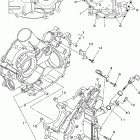
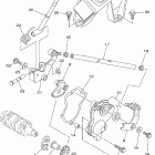
Grizzly 700 4WD YFM7FGPX-C (2008)

Оригинальные запчасти для квадроциклов Yamaha

Выбор узла

Grizzly 700 4WD YFM7FGPX-C (2008)