Kodiak 400 4WD YFM4FAV-B (2006)

Оригинальные запчасти для квадроциклов Yamaha

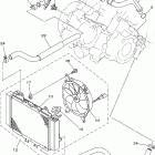
Выбор узла

Kodiak 400 4WD YFM4FAV-B (2006)