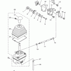
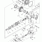
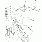
KODIAK 400 4WD HUNTER YFM4FAHV (2006)

Оригинальные запчасти для квадроциклов Yamaha

Выбор узла

KODIAK 400 4WD HUNTER YFM4FAHV (2006)