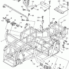
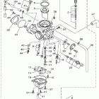
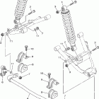
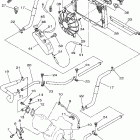
Rhino 660 Hardwoods (2004)

Оригинальные запчасти для квадроциклов Yamaha

Выбор узла

Rhino 660 Hardwoods (2004)