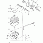
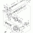
KODIAK 450 REAL TREE YFM450FAHR (2003)

Оригинальные запчасти для квадроциклов Yamaha

Выбор узла

KODIAK 450 REAL TREE YFM450FAHR (2003)