Grizzly Hunter Edition (2002)

Оригинальные запчасти для квадроциклов Yamaha

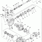
Выбор узла

Grizzly Hunter Edition (2002)