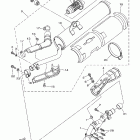
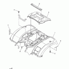
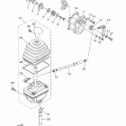
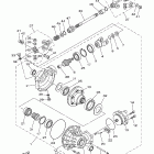
Grizzly 660 Metallic Silver (2002)

Оригинальные запчасти для квадроциклов Yamaha

Выбор узла

Grizzly 660 Metallic Silver (2002)