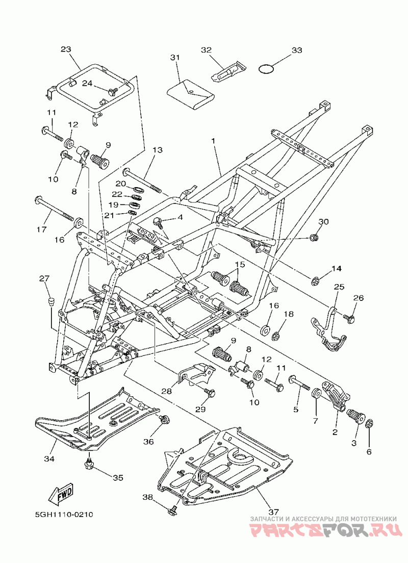
Рама

Yamaha Kodiak 4x4

Yamaha
#oem кодцена
1
2
5GH-21315-00-00
Кронштейн двигателя
3
5GH-15336-00-00
Демпфер крышки картера
4
5
6
95607-10200-00
Гайка
7
5GH-21486-00-00
Демпфер
8
5GH-21316-00-00
Кронштейн двигателя
11
13
90105-10055-00
Контр. болт
16
5GH-21488-00-00
Демпфер
19
93306-20348-00
Подшипник
20
93102-25081-00
Сальник
21
93102-25099-00
Сальник
22
5GT-23872-00-00
Обойма подшипника
23
5GH-21513-00-00
Опора
24
25
5GH-21585-00-00
Рычаг
26
27
4N0-27114-00-00
Стопор
28
5GH-22825-00-00
Защитное полотно
29
30
90480-10517-00
Уплотнитель
31
4WV-28100-00-00
Комплект инструментов
32
1NV-2811A-01-00
Манометр
33
93210-64297-00
Кольцо уплотнительное
34
5GH-2147A-00-00
Защита двигателя
35
36
37
5GH-2147E-00-00
Защита двигателя
22
2GU-23872-00-00
Обойма подшипника
9
5GH-15336-00-00
Демпфер крышки картера
10
12
5GH-21486-00-00
Демпфер
14
95607-10200-00
Гайка
15
5GH-15336-00-00
Демпфер крышки картера
17
90105-10055-00
Контр. болт
18
95607-10200-00
Гайка
38