• О Компании
  • Оплата и Доставка
  • Помощь
  • Обратная связь
  • Контакты
  • Telegram
  • ВКонтакте
  • Telegram
  • ВКонтакте
  • Регистрация
  • Авторизация
Интернет магазин мотозапчастей PartsFor.ru
Москва и регионы России
  • Личный кабинет
    • Заказы
    • Оплаты
    • Отгрузки
    • Сообщения
    • Профиль
    • Выход
  • Оригинальные запчасти
    • Для мотоциклов
    • Yamaha
    • Honda
    • Suzuki
    • Kawasaki
    • Harley Davidson
    • Ducati
    • Can-Am
    • Aprilia
    • BMW
    • Triumph
    • Husaberg
    • Husqvarna
    • KTM
    • Indian
    • Victory
    • Slingshot
    • Для мотоциклов
    • Для квадроциклов
    • Для снегоходов
    • Для мотовездеходов
    • Для гидроциклов
    • Для лодочных моторов
    • Для катеров
    • Для судовых двигателей
    • Для генераторов
    • Для квадроциклов
    • Yamaha
    • Honda
    • Suzuki
    • Kawasaki
    • Arctic Cat
    • Can-Am
    • Polaris
    • KTM
    • Для снегоходов
    • Yamaha
    • Arctic Cat
    • Lynx
    • Ski-Doo
    • Polaris
    • Для генераторов
    • Для мотовездеходов
    • Yamaha
    • Honda
    • Suzuki
    • Kawasaki
    • Arctic Cat
    • Can-Am
    • Polaris
    • Polaris RZR
    • Для гидроциклов
    • Yamaha
    • Honda Marine
    • Kawasaki
    • Arctic Cat
    • Polaris
    • Sea-Doo
    • Для лодочных моторов
    • Для катеров
    • Для суд. двигателей
    • Для генераторов
    • Для лодочных моторов
    • Yamaha
    • Honda Marine
    • Suzuki Marine
    • Evinrude
    • Johnson
    • Nissan
    • Tohatsu
    • Mercury
    • Force
    • Mariner
    • Для катеров
    • Yamaha
    • Sea-Doo
    • Для суд. двигателей
    • Для спецтехники
  • Неоригинал, расходники
  • Заказ по каталогам
    • КАТАЛОГ PARTS UNLIMITED
  • Моторезина
  1. Главная
  2. Запчасти для квадроциклов
  3. Yamaha
  4. 2001
  5. Big Bear 400 4X4

Big Bear 400 4X4 (2001)

Оригинальные запчасти для квадроциклов Yamaha

Выбор узла

Big Bear 400 4X4 (2001)
  • Big Bear 400 4X4 Alternate (meter)
    Alternate (meter)
  • Big Bear 400 4X4 Генератор
    Генератор
  • Big Bear 400 4X4 Вентилятор охлаждения
    Вентилятор охлаждения
  • Big Bear 400 4X4 Дуги безопасности
    Дуги безопасности
  • Big Bear 400 4X4 Цепь механизма газораспределения
    Цепь механизма газораспределени я
  • Big Bear 400 4X4 Рулевые переключатели
    Рулевые переключатели
  • Big Bear 400 4X4 Карбюратор
    Карбюратор
  • Big Bear 400 4X4 Фара
    Фара
  • Big Bear 400 4X4 Сцепление
    Сцепление
  • Big Bear 400 4X4 Впускная система
    Впускная система
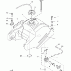
  • Big Bear 400 4X4 Картер
    Картер
  • Big Bear 400 4X4 Промежуточный ведущий вал
    Промежуточный ведущий вал
  • Big Bear 400 4X4 Крышка картера двигателя
    Крышка картера двигателя
  • Big Bear 400 4X4 Масляный насос
    Масляный насос
  • Big Bear 400 4X4 Коленчатый вал и Поршень
    Коленчатый вал и Поршень
  • Big Bear 400 4X4 Бугель (задний рычаг)
    Бугель (задний рычаг)
  • Big Bear 400 4X4 Цилиндр
    Цилиндр
  • Big Bear 400 4X4 Заднее крыло
    Заднее крыло
  • Big Bear 400 4X4 Головка цилиндра
    Головка цилиндра
  • Big Bear 400 4X4 Задняя подвеска
    Задняя подвеска
  • Big Bear 400 4X4 Ведущий вал
    Ведущий вал
  • Big Bear 400 4X4 Заднее колесо
    Заднее колесо
  • Big Bear 400 4X4 Электрика 1
    Электрика 1
  • Big Bear 400 4X4 Сидение
    Сидение
  • Big Bear 400 4X4 Наклейки 1
    Наклейки 1
  • Big Bear 400 4X4 Копирный вал
    Копирный вал
  • Big Bear 400 4X4 Выхлопная система
    Выхлопная система
  • Big Bear 400 4X4 Подножки
    Подножки
  • Big Bear 400 4X4 Рама
    Рама
  • Big Bear 400 4X4 Стартер
    Стартер
  • Big Bear 400 4X4 Передний тормоз
    Передний тормоз
  • Big Bear 400 4X4 Муфта стартера
    Муфта стартера
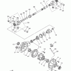
  • Big Bear 400 4X4 Передний дифференциал
    Передний дифференциал
  • Big Bear 400 4X4 Стартер электрический
    Стартер электрический
  • Big Bear 400 4X4 Переднее крыло
    Переднее крыло
  • Big Bear 400 4X4 Рулевое управление
    Рулевое управление
  • Big Bear 400 4X4 Главный тормозной цилиндр,передний
    Главный тормозной цилиндр,передний
  • Big Bear 400 4X4 Троса
    Троса
  • Big Bear 400 4X4 Передняя подвеска колес
    Передняя подвеска колес
  • Big Bear 400 4X4 Фонарь задний
    Фонарь задний
  • Big Bear 400 4X4 Переднее колесо
    Переднее колесо
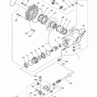
  • Big Bear 400 4X4 Трансмиссия
    Трансмиссия
  • Big Bear 400 4X4 Топливный бак
    Топливный бак
  • Big Bear 400 4X4 Клапана
    Клапана


  Информация
  • Новости
  • О Компании
  • Оплата и Доставка
  • Помощь
  • Обратная связь
  • Контакты
  OEM запчасти
  • Запчасти для мотоциклов
  • Запчасти для квадроциклов
  • Запчасти для снегоходов
  • Запчасти для мотовездеходов
  • Запчасти для гидроциклов
  • Запчасти для лодочных моторов
  Наши контакты
  • ИП Зуев Артем Павлович
  • г. Москва 2-я Хуторская улица, д.29, офис 214
  • Email: info@partsfor.ru

Тел: ‎8(495) 532-03-60
8(909) 958-46-33; 8(925) 200-16-98

* все разговоры записываются
С 10.00 до 19.00 ПН - ПТ

© 2026 Интернет магазин запчастей для мототехники ПартсФор.

  • PaymentGateway
  • PaymentGateway
Договор-оферта
Образец договора для юр.лиц
Пользовательское соглашение
Политика конфиденциальности

Товар добавлен в корзину

Выбранный товар добавлен в Вашу корзину.
Далее Вы можете перейти в корзину для оформления заказа или закрыть это окно и продолжить покупки.

Перейти в корзину

Выбор модели техники

Выбрать