• О Компании
  • Оплата и Доставка
  • Помощь
  • Обратная связь
  • Контакты
  • Telegram
  • ВКонтакте
  • Telegram
  • ВКонтакте
  • Регистрация
  • Авторизация
Интернет магазин мотозапчастей PartsFor.ru
Москва и регионы России
  • Личный кабинет
    • Заказы
    • Оплаты
    • Отгрузки
    • Сообщения
    • Профиль
    • Выход
  • Оригинальные запчасти
    • Для мотоциклов
    • Yamaha
    • Honda
    • Suzuki
    • Kawasaki
    • Harley Davidson
    • Ducati
    • Can-Am
    • Aprilia
    • BMW
    • Triumph
    • Husaberg
    • Husqvarna
    • KTM
    • Indian
    • Victory
    • Slingshot
    • Для мотоциклов
    • Для квадроциклов
    • Для снегоходов
    • Для мотовездеходов
    • Для гидроциклов
    • Для лодочных моторов
    • Для катеров
    • Для судовых двигателей
    • Для генераторов
    • Для квадроциклов
    • Yamaha
    • Honda
    • Suzuki
    • Kawasaki
    • Arctic Cat
    • Can-Am
    • Polaris
    • KTM
    • Для снегоходов
    • Yamaha
    • Arctic Cat
    • Lynx
    • Ski-Doo
    • Polaris
    • Для генераторов
    • Для мотовездеходов
    • Yamaha
    • Honda
    • Suzuki
    • Kawasaki
    • Arctic Cat
    • Can-Am
    • Polaris
    • Polaris RZR
    • Для гидроциклов
    • Yamaha
    • Honda Marine
    • Kawasaki
    • Arctic Cat
    • Polaris
    • Sea-Doo
    • Для лодочных моторов
    • Для катеров
    • Для суд. двигателей
    • Для генераторов
    • Для лодочных моторов
    • Yamaha
    • Honda Marine
    • Suzuki Marine
    • Evinrude
    • Johnson
    • Nissan
    • Tohatsu
    • Mercury
    • Force
    • Mariner
    • Для катеров
    • Yamaha
    • Sea-Doo
    • Для суд. двигателей
    • Для спецтехники
  • Неоригинал, расходники
  • Заказ по каталогам
    • КАТАЛОГ PARTS UNLIMITED
  • Моторезина
  1. Главная
  2. Запчасти для квадроциклов
  3. Yamaha
  4. 1997
  5. YB 250

YB 250 (1997)

Оригинальные запчасти для квадроциклов Yamaha

Выбор узла

YB 250 (1997)
  • YB 250 Цепь механизма газораспределения
    Цепь механизма газораспределени я
  • YB 250 Фара
    Фара
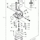
  • YB 250 Карбюратор
    Карбюратор
  • YB 250 Впускная система
    Впускная система
  • YB 250 Сцепление
    Сцепление
  • YB 250 Промежуточный ведущий вал
    Промежуточный ведущий вал
  • YB 250 Картер
    Картер
  • YB 250 Масляный насос
    Масляный насос
  • YB 250 Крышка картера двигателя
    Крышка картера двигателя
  • YB 250 Бугель (задний рычаг)
    Бугель (задний рычаг)
  • YB 250 Коленчатый вал и Поршень
    Коленчатый вал и Поршень
  • YB 250 Заднее крыло
    Заднее крыло
  • YB 250 Цилиндр
    Цилиндр
  • YB 250 Задняя подвеска
    Задняя подвеска
  • YB 250 Головка цилиндра
    Головка цилиндра
  • YB 250 Заднее колесо
    Заднее колесо
  • YB 250 Выбор переключения
    Выбор переключения
  • YB 250 Сидение
    Сидение
  • YB 250 Ведущий вал
    Ведущий вал
  • YB 250 Вилки переключения
    Вилки переключения
  • YB 250 Электрика 1
    Электрика 1
  • YB 250 Вал переключения
    Вал переключения
  • YB 250 Наклейки 1
    Наклейки 1
  • YB 250 Боковая панель
    Боковая панель
  • YB 250 Выхлопная система
    Выхлопная система
  • YB 250 Подножки
    Подножки
  • YB 250 Рама
    Рама
  • YB 250 Стартер
    Стартер
  • YB 250 Front fender 1
    Front fender 1
  • YB 250 Муфта стартера
    Муфта стартера
  • YB 250 Передняя подвеска колес
    Передняя подвеска колес
  • YB 250 Стартер электрический
    Стартер электрический
  • YB 250 Переднее колесо
    Переднее колесо
  • YB 250 Рулевое управление
    Рулевое управление
  • YB 250 Топливный бак
    Топливный бак
  • YB 250 Троса
    Троса
  • YB 250 Генератор
    Генератор
  • YB 250 Задний фонарь 1
    Задний фонарь 1
  • YB 250 Дуги безопасности
    Дуги безопасности
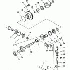
  • YB 250 Трансмиссия
    Трансмиссия
  • YB 250 Рулевые переключатели
    Рулевые переключатели
  • YB 250 Клапана
    Клапана


  Информация
  • Новости
  • О Компании
  • Оплата и Доставка
  • Помощь
  • Обратная связь
  • Контакты
  OEM запчасти
  • Запчасти для мотоциклов
  • Запчасти для квадроциклов
  • Запчасти для снегоходов
  • Запчасти для мотовездеходов
  • Запчасти для гидроциклов
  • Запчасти для лодочных моторов
  Наши контакты
  • ИП Зуев Артем Павлович
  • г. Москва 2-я Хуторская улица, д.29, офис 214
  • Email: info@partsfor.ru

Тел: ‎8(495) 532-03-60
8(909) 958-46-33; 8(925) 200-16-98

* все разговоры записываются
С 10.00 до 19.00 ПН - ПТ

© 2026 Интернет магазин запчастей для мототехники ПартсФор.

  • PaymentGateway
  • PaymentGateway
Договор-оферта
Образец договора для юр.лиц
Пользовательское соглашение
Политика конфиденциальности

Товар добавлен в корзину

Выбранный товар добавлен в Вашу корзину.
Далее Вы можете перейти в корзину для оформления заказа или закрыть это окно и продолжить покупки.

Перейти в корзину

Выбор модели техники

Выбрать