• О Компании
  • Оплата и Доставка
  • Помощь
  • Обратная связь
  • Контакты
  • Telegram
  • ВКонтакте
  • Telegram
  • ВКонтакте
  • Регистрация
  • Авторизация
Интернет магазин мотозапчастей PartsFor.ru
Москва и регионы России
  • Личный кабинет
    • Заказы
    • Оплаты
    • Отгрузки
    • Сообщения
    • Профиль
    • Выход
  • Оригинальные запчасти
    • Для мотоциклов
    • Yamaha
    • Honda
    • Suzuki
    • Kawasaki
    • Harley Davidson
    • Ducati
    • Can-Am
    • Aprilia
    • BMW
    • Triumph
    • Husaberg
    • Husqvarna
    • KTM
    • Indian
    • Victory
    • Slingshot
    • Для мотоциклов
    • Для квадроциклов
    • Для снегоходов
    • Для мотовездеходов
    • Для гидроциклов
    • Для лодочных моторов
    • Для катеров
    • Для судовых двигателей
    • Для генераторов
    • Для квадроциклов
    • Yamaha
    • Honda
    • Suzuki
    • Kawasaki
    • Arctic Cat
    • Can-Am
    • Polaris
    • KTM
    • Для снегоходов
    • Yamaha
    • Arctic Cat
    • Lynx
    • Ski-Doo
    • Polaris
    • Для генераторов
    • Для мотовездеходов
    • Yamaha
    • Honda
    • Suzuki
    • Kawasaki
    • Arctic Cat
    • Can-Am
    • Polaris
    • Polaris RZR
    • Для гидроциклов
    • Yamaha
    • Honda Marine
    • Kawasaki
    • Arctic Cat
    • Polaris
    • Sea-Doo
    • Для лодочных моторов
    • Для катеров
    • Для суд. двигателей
    • Для генераторов
    • Для лодочных моторов
    • Yamaha
    • Honda Marine
    • Suzuki Marine
    • Evinrude
    • Johnson
    • Nissan
    • Tohatsu
    • Mercury
    • Force
    • Mariner
    • Для катеров
    • Yamaha
    • Sea-Doo
    • Для суд. двигателей
    • Для спецтехники
  • Неоригинал, расходники
  • Заказ по каталогам
    • КАТАЛОГ PARTS UNLIMITED
  • Моторезина
  1. Главная
  2. Запчасти для квадроциклов
  3. Yamaha
  4. 1992
  5. Big Bear

Big Bear (1992)

Оригинальные запчасти для квадроциклов Yamaha

Выбор узла

Big Bear (1992)
  • Big Bear Воздушный фильтр
    Воздушный фильтр
  • Big Bear Дуги безопасности
    Дуги безопасности
  • Big Bear Цепь механизма газораспределения
    Цепь механизма газораспределени я
  • Big Bear Троса
    Троса
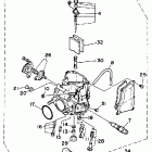
  • Big Bear Карбюратор
    Карбюратор
  • Big Bear Фара
    Фара
  • Big Bear Сцепление
    Сцепление
  • Big Bear Спидометр
    Спидометр
  • Big Bear Картер
    Картер
  • Big Bear Промежуточный ведущий вал
    Промежуточный ведущий вал
  • Big Bear Крышка картера двигателя
    Крышка картера двигателя
  • Big Bear Масляный насос
    Масляный насос
  • Big Bear Коленчатый вал и Поршень
    Коленчатый вал и Поршень
  • Big Bear Задний суппорт тормозной
    Задний суппорт тормозной
  • Big Bear Цилиндр
    Цилиндр
  • Big Bear Заднее крыло
    Заднее крыло
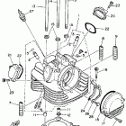
  • Big Bear Головка цилиндра
    Головка цилиндра
  • Big Bear Заднее колесо
    Заднее колесо
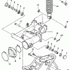
  • Big Bear Ведущий вал
    Ведущий вал
  • Big Bear Reverse lever
    Reverse lever
  • Big Bear Электрика 1
    Электрика 1
  • Big Bear Сидение
    Сидение
  • Big Bear Электрика 2
    Электрика 2
  • Big Bear Копирный вал
    Копирный вал
  • Big Bear Electrical 2 alt. parts
    Electrical 2 alt. parts
  • Big Bear Подножки
    Подножки
  • Big Bear Наклейки 1
    Наклейки 1
  • Big Bear Starter alt. parts
    Starter alt. parts
  • Big Bear Выхлопная система
    Выхлопная система
  • Big Bear Муфта стартера
    Муфта стартера
  • Big Bear Рама
    Рама
  • Big Bear Стартер электрический
    Стартер электрический
  • Big Bear Переднее крыло
    Переднее крыло
  • Big Bear Рулевое управление
    Рулевое управление
  • Big Bear Передняя подвеска колес
    Передняя подвеска колес
  • Big Bear Swing arm rear shock
    Swing arm rear shock
  • Big Bear Переднее колесо
    Переднее колесо
  • Big Bear Фонарь задний
    Фонарь задний
  • Big Bear Топливный бак
    Топливный бак
  • Big Bear Трансмиссия
    Трансмиссия
  • Big Bear Генератор
    Генератор
  • Big Bear Клапана
    Клапана


  Информация
  • Новости
  • О Компании
  • Оплата и Доставка
  • Помощь
  • Обратная связь
  • Контакты
  OEM запчасти
  • Запчасти для мотоциклов
  • Запчасти для квадроциклов
  • Запчасти для снегоходов
  • Запчасти для мотовездеходов
  • Запчасти для гидроциклов
  • Запчасти для лодочных моторов
  Наши контакты
  • ИП Зуев Артем Павлович
  • г. Москва 2-я Хуторская улица, д.29, офис 214
  • Email: info@partsfor.ru

Тел: ‎8(495) 532-03-60
8(909) 958-46-33; 8(925) 200-16-98

* все разговоры записываются
С 10.00 до 19.00 ПН - ПТ

© 2026 Интернет магазин запчастей для мототехники ПартсФор.

  • PaymentGateway
  • PaymentGateway
Договор-оферта
Образец договора для юр.лиц
Пользовательское соглашение
Политика конфиденциальности

Товар добавлен в корзину

Выбранный товар добавлен в Вашу корзину.
Далее Вы можете перейти в корзину для оформления заказа или закрыть это окно и продолжить покупки.

Перейти в корзину

Выбор модели техники

Выбрать