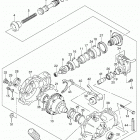
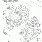
LT A500X,Z (2014)

Оригинальные запчасти для квадроциклов Suzuki

Выбор узла

LT A500X,Z (2014)