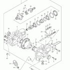
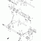
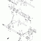
LT-F400F KingQuad 400FS 4x4 (2012)

Оригинальные запчасти для квадроциклов Suzuki

Выбор узла

LT-F400F KingQuad 400FS 4x4 (2012)