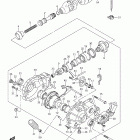
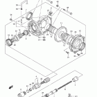
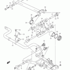
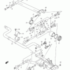
LT-A450X,Z 450AXi (2009)

Оригинальные запчасти для квадроциклов Suzuki

Выбор узла

LT-A450X,Z 450AXi (2009)