• О Компании
  • Оплата и Доставка
  • Помощь
  • Обратная связь
  • Контакты
  • Telegram
  • ВКонтакте
  • Telegram
  • ВКонтакте
  • Регистрация
  • Авторизация
Интернет магазин мотозапчастей PartsFor.ru
Москва и регионы России
  • Личный кабинет
    • Заказы
    • Оплаты
    • Отгрузки
    • Сообщения
    • Профиль
    • Выход
  • Оригинальные запчасти
    • Для мотоциклов
    • Yamaha
    • Honda
    • Suzuki
    • Kawasaki
    • Harley Davidson
    • Ducati
    • Can-Am
    • Aprilia
    • BMW
    • Triumph
    • Husaberg
    • Husqvarna
    • KTM
    • Indian
    • Victory
    • Slingshot
    • Для мотоциклов
    • Для квадроциклов
    • Для снегоходов
    • Для мотовездеходов
    • Для гидроциклов
    • Для лодочных моторов
    • Для катеров
    • Для судовых двигателей
    • Для генераторов
    • Для квадроциклов
    • Yamaha
    • Honda
    • Suzuki
    • Kawasaki
    • Arctic Cat
    • Can-Am
    • Polaris
    • KTM
    • Для снегоходов
    • Yamaha
    • Arctic Cat
    • Lynx
    • Ski-Doo
    • Polaris
    • Для генераторов
    • Для мотовездеходов
    • Yamaha
    • Honda
    • Suzuki
    • Kawasaki
    • Arctic Cat
    • Can-Am
    • Polaris
    • Polaris RZR
    • Для гидроциклов
    • Yamaha
    • Honda Marine
    • Kawasaki
    • Arctic Cat
    • Polaris
    • Sea-Doo
    • Для лодочных моторов
    • Для катеров
    • Для суд. двигателей
    • Для генераторов
    • Для лодочных моторов
    • Yamaha
    • Honda Marine
    • Suzuki Marine
    • Evinrude
    • Johnson
    • Nissan
    • Tohatsu
    • Mercury
    • Force
    • Mariner
    • Для катеров
    • Yamaha
    • Sea-Doo
    • Для суд. двигателей
    • Для спецтехники
  • Неоригинал, расходники
  • Заказ по каталогам
    • КАТАЛОГ PARTS UNLIMITED
  • Моторезина
  1. Главная
  2. Запчасти для квадроциклов
  3. Suzuki
  4. 2004
  5. LT160 QUAD RUNNER

LT160 QUAD RUNNER (2004)

Оригинальные запчасти для квадроциклов Suzuki

Выбор узла

LT160 QUAD RUNNER (2004)
совместимые запчасти для данной модели внизу страницы
  • LT160 QUAD RUNNER Воздухозаборник
    Воздухозаборник
  • LT160 QUAD RUNNER Рулевые переключатели
    Рулевые переключатели
  • LT160 QUAD RUNNER АКБ
    АКБ
  • LT160 QUAD RUNNER Фара
    Фара
  • LT160 QUAD RUNNER Цепь ГРМ
    Цепь ГРМ
  • LT160 QUAD RUNNER Фара головного света
    Фара головного света
  • LT160 QUAD RUNNER Распределительный вал  /  клапана
    Распределительный вал / клапана
  • LT160 QUAD RUNNER Knuckle arm
    Knuckle arm
  • LT160 QUAD RUNNER Carburetor (p3)
    Carburetor (p3)
  • LT160 QUAD RUNNER Наклейки
    Наклейки
  • LT160 QUAD RUNNER Carburetor (p33)
    Carburetor (p33)
  • LT160 QUAD RUNNER Генератор
    Генератор
  • LT160 QUAD RUNNER Сцепление
    Сцепление
  • LT160 QUAD RUNNER Глушитель
    Глушитель
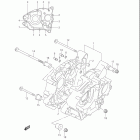
  • LT160 QUAD RUNNER Картер
    Картер
  • LT160 QUAD RUNNER Oil pump / fuel pump
    Oil pump / fuel pump
  • LT160 QUAD RUNNER Крышки картера
    Крышки картера
  • LT160 QUAD RUNNER Дооснащение -опции
    Дооснащение -опции
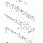
  • LT160 QUAD RUNNER Коленвал
    Коленвал
  • LT160 QUAD RUNNER Задний тормоз
    Задний тормоз
  • LT160 QUAD RUNNER Цилиндр
    Цилиндр
  • LT160 QUAD RUNNER Заднее крыло
    Заднее крыло
  • LT160 QUAD RUNNER Головка цилиндра
    Головка цилиндра
  • LT160 QUAD RUNNER Маятник задний
    Маятник задний
  • LT160 QUAD RUNNER Электрика
    Электрика
  • LT160 QUAD RUNNER Заднее колесо
    Заднее колесо
  • LT160 QUAD RUNNER Подножки
    Подножки
  • LT160 QUAD RUNNER Recoil starter (optional)
    Recoil starter (optional)
  • LT160 QUAD RUNNER Рама
    Рама
  • LT160 QUAD RUNNER Сидение
    Сидение
  • LT160 QUAD RUNNER Переднее крыло
    Переднее крыло
  • LT160 QUAD RUNNER Муфта стартера
    Муфта стартера
  • LT160 QUAD RUNNER Переднее колесо
    Переднее колесо
  • LT160 QUAD RUNNER Стартер электрический
    Стартер электрический
  • LT160 QUAD RUNNER Тормоза переднее колесо
    Тормоза переднее колесо
  • LT160 QUAD RUNNER Рулевой вал
    Рулевой вал
  • LT160 QUAD RUNNER Топливный бак
    Топливный бак
  • LT160 QUAD RUNNER Suspension arm
    Suspension arm
  • LT160 QUAD RUNNER Набор прокладок
    Набор прокладок
  • LT160 QUAD RUNNER Задний фонарь
    Задний фонарь
  • LT160 QUAD RUNNER Механизм  переключения передач
    Механизм переключения передач
  • LT160 QUAD RUNNER Трансмиссия
    Трансмиссия
  • LT160 QUAD RUNNER Руль
    Руль
  • LT160 QUAD RUNNER Электрика
    Электрика

Suzuki LT 160 QuadRunner 2004

Неоригинальные запчасти Parts Unlimited

  • Двигатель
    Starter Motor - Suzuki
    Starter Motor - Suzuki
  • Двигатель
    Starter Motor - Suzuki
    Starter Motor - Suzuki
  • Комплект Фрикционных дисков
    Clutch Disc Set
    Clutch Disc Set
  • Подшипник колеса
    Wheel Bearing Kit - Rear
    Wheel Bearing Kit - Rear
  • Подшипник колеса
    Wheel Bearing Kit - Front
    Wheel Bearing Kit - Front
  • Подшипник колеса
    Wheel Bearing Kit - Rear
    Wheel Bearing Kit - Rear
  • Тормозная колодка
    Brake Shoes - Suzuki
    Brake Shoes - Suzuki
  • Тормозная колодка
    Brake Shoes - QuadRunner - 9155
    Brake Shoes - QuadRunner - 9155
  • Тормозная колодка
    Brake Shoes - Suzuki
    Brake Shoes - Suzuki
  • Конец рулевой тяги
    Tie Rod End - Inner/Outer
    Tie Rod End - Inner/Outer
  • Конец рулевой тяги
    Tie Rod End Kit
    Tie Rod End Kit
  • Набор Королевских булавок
    King Pin Kit - LT/LTF
    King Pin Kit - LT/LTF
  • Масляный фильтр
    Oil Filter
    Oil Filter
  • Масляный фильтр
    Oil Filter
    Oil Filter
  • Масляный фильтр
    Oil Filter
    Oil Filter
  • Воздушный фильтр
    Air Filter - Pre-Oiled - Suzuki
    Air Filter - Pre-Oiled - Suzuki
  • Прокладка
    Gasket Float Bowl
    Gasket Float Bowl
  • Воздушный фильтр
    Filter Suzuki LT160
    Filter Suzuki LT160


  Информация
  • Новости
  • О Компании
  • Оплата и Доставка
  • Помощь
  • Обратная связь
  • Контакты
  OEM запчасти
  • Запчасти для мотоциклов
  • Запчасти для квадроциклов
  • Запчасти для снегоходов
  • Запчасти для мотовездеходов
  • Запчасти для гидроциклов
  • Запчасти для лодочных моторов
  Наши контакты
  • ИП Зуев Артем Павлович
  • г. Москва 2-я Хуторская улица, д.29, офис 214
  • Email: info@partsfor.ru

Тел: ‎8(495) 532-03-60
8(909) 958-46-33; 8(925) 200-16-98

* все разговоры записываются
С 10.00 до 19.00 ПН - ПТ

© 2026 Интернет магазин запчастей для мототехники ПартсФор.

  • PaymentGateway
  • PaymentGateway
Договор-оферта
Образец договора для юр.лиц
Пользовательское соглашение
Политика конфиденциальности

Товар добавлен в корзину

Выбранный товар добавлен в Вашу корзину.
Далее Вы можете перейти в корзину для оформления заказа или закрыть это окно и продолжить покупки.

Перейти в корзину

Выбор модели техники

Выбрать