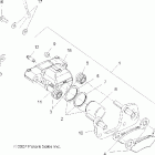
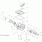
SCRAMBLER 500 4X4 - A08BG50AA (2008)

Оригинальные запчасти для квадроциклов Polaris

Выбор узла

SCRAMBLER 500 4X4 - A08BG50AA (2008)