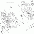
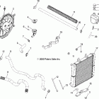
SPORTSMAN X2 500 EFI QUAD - A07TH50EA (2007)

Оригинальные запчасти для квадроциклов Polaris

Выбор узла

SPORTSMAN X2 500 EFI QUAD - A07TH50EA (2007)