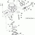
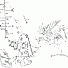
SPORTSMAN 6X6 - A03CL50AA (2003)

Оригинальные запчасти для квадроциклов Polaris

Выбор узла

SPORTSMAN 6X6 - A03CL50AA (2003)