• О Компании
  • Оплата и Доставка
  • Помощь
  • Обратная связь
  • Контакты
  • Telegram
  • ВКонтакте
  • Telegram
  • ВКонтакте
  • Регистрация
  • Авторизация
Интернет магазин мотозапчастей PartsFor.ru
Москва и регионы России
  • Личный кабинет
    • Заказы
    • Оплаты
    • Отгрузки
    • Сообщения
    • Профиль
    • Выход
  • Оригинальные запчасти
    • Для мотоциклов
    • Yamaha
    • Honda
    • Suzuki
    • Kawasaki
    • Harley Davidson
    • Ducati
    • Can-Am
    • Aprilia
    • BMW
    • Triumph
    • Husaberg
    • Husqvarna
    • KTM
    • Indian
    • Victory
    • Slingshot
    • Для мотоциклов
    • Для квадроциклов
    • Для снегоходов
    • Для мотовездеходов
    • Для гидроциклов
    • Для лодочных моторов
    • Для катеров
    • Для судовых двигателей
    • Для генераторов
    • Для квадроциклов
    • Yamaha
    • Honda
    • Suzuki
    • Kawasaki
    • Arctic Cat
    • Can-Am
    • Polaris
    • KTM
    • Для снегоходов
    • Yamaha
    • Arctic Cat
    • Lynx
    • Ski-Doo
    • Polaris
    • Для генераторов
    • Для мотовездеходов
    • Yamaha
    • Honda
    • Suzuki
    • Kawasaki
    • Arctic Cat
    • Can-Am
    • Polaris
    • Polaris RZR
    • Для гидроциклов
    • Yamaha
    • Honda Marine
    • Kawasaki
    • Arctic Cat
    • Polaris
    • Sea-Doo
    • Для лодочных моторов
    • Для катеров
    • Для суд. двигателей
    • Для генераторов
    • Для лодочных моторов
    • Yamaha
    • Honda Marine
    • Suzuki Marine
    • Evinrude
    • Johnson
    • Nissan
    • Tohatsu
    • Mercury
    • Force
    • Mariner
    • Для катеров
    • Yamaha
    • Sea-Doo
    • Для суд. двигателей
    • Для спецтехники
  • Неоригинал, расходники
  • Заказ по каталогам
    • КАТАЛОГ PARTS UNLIMITED
  • Моторезина
  1. Главная
  2. Запчасти для квадроциклов
  3. Polaris
  4. 2001
  5. SPORTSMAN 400 - A01CH42AC

SPORTSMAN 400 - A01CH42AC (2001)

Оригинальные запчасти для квадроциклов Polaris

Выбор узла

SPORTSMAN 400 - A01CH42AC (2001)
  • SPORTSMAN 400 - A01CH42AC Рулевые тяги
    Рулевые тяги
  • SPORTSMAN 400 - A01CH42AC Переднее колесо
    Переднее колесо
  • SPORTSMAN 400 - A01CH42AC Воздушный фильтр
    Воздушный фильтр
  • SPORTSMAN 400 - A01CH42AC Топливный насос
    Топливный насос
  • SPORTSMAN 400 - A01CH42AC Карбюратор
    Карбюратор
  • SPORTSMAN 400 - A01CH42AC Топливный бак
    Топливный бак
  • SPORTSMAN 400 - A01CH42AC Кожух сцепления
    Кожух сцепления
  • SPORTSMAN 400 - A01CH42AC Селектор переключения передач
    Селектор переключения передач
  • SPORTSMAN 400 - A01CH42AC Трост дроселя
    Трост дроселя
  • SPORTSMAN 400 - A01CH42AC Gearcase (cases and snorkel)
    Gearcase (cases and snorkel)
  • SPORTSMAN 400 - A01CH42AC Трост дроселя
    Трост дроселя
  • SPORTSMAN 400 - A01CH42AC Gearcase (internal components)
    Gearcase (internal components)
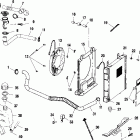
  • SPORTSMAN 400 - A01CH42AC Система охлаждения
    Система охлаждения
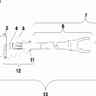
  • SPORTSMAN 400 - A01CH42AC Руль и фара
    Руль и фара
  • SPORTSMAN 400 - A01CH42AC Картер
    Картер
  • SPORTSMAN 400 - A01CH42AC Клапана
    Клапана
  • SPORTSMAN 400 - A01CH42AC Коленвал и поршни
    Коленвал и поршни
  • SPORTSMAN 400 - A01CH42AC Генератор
    Генератор
  • SPORTSMAN 400 - A01CH42AC Cv joint
    Cv joint
  • SPORTSMAN 400 - A01CH42AC Маслянный фильтр
    Маслянный фильтр
  • SPORTSMAN 400 - A01CH42AC Цилиндры
    Цилиндры
  • SPORTSMAN 400 - A01CH42AC Масляный насос
    Масляный насос
  • SPORTSMAN 400 - A01CH42AC Наклейки
    Наклейки
  • SPORTSMAN 400 - A01CH42AC Маслянный банк
    Маслянный банк
  • SPORTSMAN 400 - A01CH42AC Муфта сцепления
    Муфта сцепления
  • SPORTSMAN 400 - A01CH42AC Кардан
    Кардан
  • SPORTSMAN 400 - A01CH42AC Привод сцепления
    Привод сцепления
  • SPORTSMAN 400 - A01CH42AC Rear brake / foot pedal
    Rear brake / foot pedal
  • SPORTSMAN 400 - A01CH42AC Электрика
    Электрика
  • SPORTSMAN 400 - A01CH42AC Заднее крыло и сиденье
    Заднее крыло и сиденье
  • SPORTSMAN 400 - A01CH42AC Крепление двигателя
    Крепление двигателя
  • SPORTSMAN 400 - A01CH42AC Задний привод
    Задний привод
  • SPORTSMAN 400 - A01CH42AC Глушитель
    Глушитель
  • SPORTSMAN 400 - A01CH42AC Задний багажник
    Задний багажник
  • SPORTSMAN 400 - A01CH42AC Frame mounting
    Frame mounting
  • SPORTSMAN 400 - A01CH42AC Задняя подвеска
    Задняя подвеска
  • SPORTSMAN 400 - A01CH42AC Передний тормоз
    Передний тормоз
  • SPORTSMAN 400 - A01CH42AC Колесо заднее
    Колесо заднее
  • SPORTSMAN 400 - A01CH42AC Переднее крыло
    Переднее крыло
  • SPORTSMAN 400 - A01CH42AC Ручной стартер
    Ручной стартер
  • SPORTSMAN 400 - A01CH42AC Передний редуктор
    Передний редуктор
  • SPORTSMAN 400 - A01CH42AC Стартер
    Стартер
  • SPORTSMAN 400 - A01CH42AC Передний бампер и багажник
    Передний бампер и багажник
  • SPORTSMAN 400 - A01CH42AC Рулевой вал
    Рулевой вал
  • SPORTSMAN 400 - A01CH42AC Передняя стойка
    Передняя стойка
  • SPORTSMAN 400 - A01CH42AC Инструмент
    Инструмент
  • SPORTSMAN 400 - A01CH42AC Водяной насос
    Водяной насос


  Информация
  • Новости
  • О Компании
  • Оплата и Доставка
  • Помощь
  • Обратная связь
  • Контакты
  OEM запчасти
  • Запчасти для мотоциклов
  • Запчасти для квадроциклов
  • Запчасти для снегоходов
  • Запчасти для мотовездеходов
  • Запчасти для гидроциклов
  • Запчасти для лодочных моторов
  Наши контакты
  • ИП Зуев Артем Павлович
  • г. Москва 2-я Хуторская улица, д.29, офис 214
  • Email: info@partsfor.ru

Тел: ‎8(495) 532-03-60
8(909) 958-46-33; 8(925) 200-16-98

* все разговоры записываются
С 10.00 до 19.00 ПН - ПТ

© 2026 Интернет магазин запчастей для мототехники ПартсФор.

  • PaymentGateway
  • PaymentGateway
Договор-оферта
Образец договора для юр.лиц
Пользовательское соглашение
Политика конфиденциальности

Товар добавлен в корзину

Выбранный товар добавлен в Вашу корзину.
Далее Вы можете перейти в корзину для оформления заказа или закрыть это окно и продолжить покупки.

Перейти в корзину

Выбор модели техники

Выбрать