BIG BOSS 6X6 INT'L - A01CL50DA (2001)

Оригинальные запчасти для квадроциклов Polaris

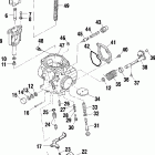
Выбор узла

BIG BOSS 6X6 INT'L - A01CL50DA (2001)