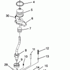
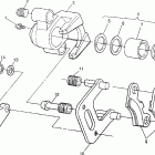
MAGNUM 4X4 - W968144 (1996)

Оригинальные запчасти для квадроциклов Polaris

Выбор узла

MAGNUM 4X4 - W968144 (1996)