• О Компании
  • Оплата и Доставка
  • Помощь
  • Обратная связь
  • Контакты
  • Telegram
  • ВКонтакте
  • Telegram
  • ВКонтакте
  • Регистрация
  • Авторизация
Интернет магазин мотозапчастей PartsFor.ru
Москва и регионы России
  • Личный кабинет
    • Заказы
    • Оплаты
    • Отгрузки
    • Сообщения
    • Профиль
    • Выход
  • Оригинальные запчасти
    • Для мотоциклов
    • Yamaha
    • Honda
    • Suzuki
    • Kawasaki
    • Harley Davidson
    • Ducati
    • Can-Am
    • Aprilia
    • BMW
    • Triumph
    • Husaberg
    • Husqvarna
    • KTM
    • Indian
    • Victory
    • Slingshot
    • Для мотоциклов
    • Для квадроциклов
    • Для снегоходов
    • Для мотовездеходов
    • Для гидроциклов
    • Для лодочных моторов
    • Для катеров
    • Для судовых двигателей
    • Для генераторов
    • Для квадроциклов
    • Yamaha
    • Honda
    • Suzuki
    • Kawasaki
    • Arctic Cat
    • Can-Am
    • Polaris
    • KTM
    • Для снегоходов
    • Yamaha
    • Arctic Cat
    • Lynx
    • Ski-Doo
    • Polaris
    • Для генераторов
    • Для мотовездеходов
    • Yamaha
    • Honda
    • Suzuki
    • Kawasaki
    • Arctic Cat
    • Can-Am
    • Polaris
    • Polaris RZR
    • Для гидроциклов
    • Yamaha
    • Honda Marine
    • Kawasaki
    • Arctic Cat
    • Polaris
    • Sea-Doo
    • Для лодочных моторов
    • Для катеров
    • Для суд. двигателей
    • Для генераторов
    • Для лодочных моторов
    • Yamaha
    • Honda Marine
    • Suzuki Marine
    • Evinrude
    • Johnson
    • Nissan
    • Tohatsu
    • Mercury
    • Force
    • Mariner
    • Для катеров
    • Yamaha
    • Sea-Doo
    • Для суд. двигателей
    • Для спецтехники
  • Неоригинал, расходники
  • Заказ по каталогам
    • КАТАЛОГ PARTS UNLIMITED
  • Моторезина
  1. Главная
  2. Запчасти для квадроциклов
  3. Polaris
  4. 1991
  5. W917539 TRAIL BOSS 350L 2X4

W917539 TRAIL BOSS 350L 2X4 (1991)

Оригинальные запчасти для квадроциклов Polaris

Выбор узла

W917539 TRAIL BOSS 350L 2X4 (1991)
  • W917539 TRAIL BOSS 350L 2X4 Air box assembly  350 2x4
    Air box assembly 350 2x4
  • W917539 TRAIL BOSS 350L 2X4 Fuel tank assembly 350 2x4
    Fuel tank assembly 350 2x4
  • W917539 TRAIL BOSS 350L 2X4 Body assembly    350 2x4
    Body assembly 350 2x4
  • W917539 TRAIL BOSS 350L 2X4 Gearcase assembly 350 2x4
    Gearcase assembly 350 2x4
  • W917539 TRAIL BOSS 350L 2X4 Carburetor assembly    350 2x4
    Carburetor assembly 350 2x4
  • W917539 TRAIL BOSS 350L 2X4 Headlight assembly 350 2x4
    Headlight assembly 350 2x4
  • W917539 TRAIL BOSS 350L 2X4 Clutch cover assembly 350 2x4
    Clutch cover assembly 350 2x4
  • W917539 TRAIL BOSS 350L 2X4 Magneto assembly   350 2x4
    Magneto assembly 350 2x4
  • W917539 TRAIL BOSS 350L 2X4 Control assembly 350 2x4
    Control assembly 350 2x4
  • W917539 TRAIL BOSS 350L 2X4 Oil pump assembly 350   2x4
    Oil pump assembly 350 2x4
  • W917539 TRAIL BOSS 350L 2X4 Cooling system   350 2x4
    Cooling system 350 2x4
  • W917539 TRAIL BOSS 350L 2X4 Rear brake assembly 350    2x4
    Rear brake assembly 350 2x4
  • W917539 TRAIL BOSS 350L 2X4 Crankcase and cylinder  350 2x4-update
    Crankcase and cylinder 350 2x4-update
  • W917539 TRAIL BOSS 350L 2X4 Rear wheel drive assembly 350 2x4
    Rear wheel drive assembly 350 2x4
  • W917539 TRAIL BOSS 350L 2X4 Crankshaft and piston 350 2x4-update
    Crankshaft and piston 350 2x4-update
  • W917539 TRAIL BOSS 350L 2X4 Recoil starter assembly 350 2x4
    Recoil starter assembly 350 2x4
  • W917539 TRAIL BOSS 350L 2X4 Drive clutch assembly  350 2x4
    Drive clutch assembly 350 2x4
  • W917539 TRAIL BOSS 350L 2X4 Rh gearcase / brake mounting   350 2x4
    Rh gearcase / brake mounting 350 2x4
  • W917539 TRAIL BOSS 350L 2X4 Driven clutch assembly 350 2x4
    Driven clutch assembly 350 2x4
  • W917539 TRAIL BOSS 350L 2X4 Shift linkage assembly 350 2x4
    Shift linkage assembly 350 2x4
  • W917539 TRAIL BOSS 350L 2X4 Engine and muffler mounting 350 2x4
    Engine and muffler mounting 350 2x4
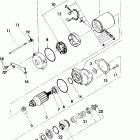
  • W917539 TRAIL BOSS 350L 2X4 Starting motor assembly 350 2x4
    Starting motor assembly 350 2x4
  • W917539 TRAIL BOSS 350L 2X4 Fan motor 350 2x4
    Fan motor 350 2x4
  • W917539 TRAIL BOSS 350L 2X4 Steering assembly 350 2x4
    Steering assembly 350 2x4
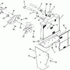
  • W917539 TRAIL BOSS 350L 2X4 Frame assembly w / racks 350 2x4
    Frame assembly w / racks 350 2x4
  • W917539 TRAIL BOSS 350L 2X4 Strut assembly 350 2x4
    Strut assembly 350 2x4
  • W917539 TRAIL BOSS 350L 2X4 Front brake assembly 350 2x4
    Front brake assembly 350 2x4
  • W917539 TRAIL BOSS 350L 2X4 Swing arm weldment 350 2x4
    Swing arm weldment 350 2x4
  • W917539 TRAIL BOSS 350L 2X4 Front wheel assembly   350 2x4
    Front wheel assembly 350 2x4
  • W917539 TRAIL BOSS 350L 2X4 Water pump assembly 350 2x4
    Water pump assembly 350 2x4
  • W917539 TRAIL BOSS 350L 2X4 Fuel strainer 350 2x4
    Fuel strainer 350 2x4
  • W917539 TRAIL BOSS 350L 2X4 Wiring harness 350 2x4
    Wiring harness 350 2x4


  Информация
  • Новости
  • О Компании
  • Оплата и Доставка
  • Помощь
  • Обратная связь
  • Контакты
  OEM запчасти
  • Запчасти для мотоциклов
  • Запчасти для квадроциклов
  • Запчасти для снегоходов
  • Запчасти для мотовездеходов
  • Запчасти для гидроциклов
  • Запчасти для лодочных моторов
  Наши контакты
  • ИП Зуев Артем Павлович
  • г. Москва 2-я Хуторская улица, д.29, офис 214
  • Email: info@partsfor.ru

Тел: ‎8(495) 532-03-60
8(909) 958-46-33; 8(925) 200-16-98

* все разговоры записываются
С 10.00 до 19.00 ПН - ПТ

© 2026 Интернет магазин запчастей для мототехники ПартсФор.

  • PaymentGateway
  • PaymentGateway
Договор-оферта
Образец договора для юр.лиц
Пользовательское соглашение
Политика конфиденциальности

Товар добавлен в корзину

Выбранный товар добавлен в Вашу корзину.
Далее Вы можете перейти в корзину для оформления заказа или закрыть это окно и продолжить покупки.

Перейти в корзину

Выбор модели техники

Выбрать