• О Компании
  • Оплата и Доставка
  • Помощь
  • Обратная связь
  • Контакты
  • Telegram
  • ВКонтакте
  • Telegram
  • ВКонтакте
  • Регистрация
  • Авторизация
Интернет магазин мотозапчастей PartsFor.ru
Москва и регионы России
  • Личный кабинет
    • Заказы
    • Оплаты
    • Отгрузки
    • Сообщения
    • Профиль
    • Выход
  • Оригинальные запчасти
    • Для мотоциклов
    • Yamaha
    • Honda
    • Suzuki
    • Kawasaki
    • Harley Davidson
    • Ducati
    • Can-Am
    • Aprilia
    • BMW
    • Triumph
    • Husaberg
    • Husqvarna
    • KTM
    • Indian
    • Victory
    • Slingshot
    • Для мотоциклов
    • Для квадроциклов
    • Для снегоходов
    • Для мотовездеходов
    • Для гидроциклов
    • Для лодочных моторов
    • Для катеров
    • Для судовых двигателей
    • Для генераторов
    • Для квадроциклов
    • Yamaha
    • Honda
    • Suzuki
    • Kawasaki
    • Arctic Cat
    • Can-Am
    • Polaris
    • KTM
    • Для снегоходов
    • Yamaha
    • Arctic Cat
    • Lynx
    • Ski-Doo
    • Polaris
    • Для генераторов
    • Для мотовездеходов
    • Yamaha
    • Honda
    • Suzuki
    • Kawasaki
    • Arctic Cat
    • Can-Am
    • Polaris
    • Polaris RZR
    • Для гидроциклов
    • Yamaha
    • Honda Marine
    • Kawasaki
    • Arctic Cat
    • Polaris
    • Sea-Doo
    • Для лодочных моторов
    • Для катеров
    • Для суд. двигателей
    • Для генераторов
    • Для лодочных моторов
    • Yamaha
    • Honda Marine
    • Suzuki Marine
    • Evinrude
    • Johnson
    • Nissan
    • Tohatsu
    • Mercury
    • Force
    • Mariner
    • Для катеров
    • Yamaha
    • Sea-Doo
    • Для суд. двигателей
    • Для спецтехники
  • Неоригинал, расходники
  • Заказ по каталогам
    • КАТАЛОГ PARTS UNLIMITED
  • Моторезина
  1. Главная
  2. Запчасти для квадроциклов
  3. Polaris
  4. 1990
  5. W908127 TRAIL BOSS 4X4

W908127 TRAIL BOSS 4X4 (1990)

Оригинальные запчасти для квадроциклов Polaris

Выбор узла

W908127 TRAIL BOSS 4X4 (1990)
  • W908127 TRAIL BOSS 4X4 Air box assembly
    Air box assembly
  • W908127 TRAIL BOSS 4X4 Топливный бак
    Топливный бак
  • W908127 TRAIL BOSS 4X4 Body assembly updated 5 / 90
    Body assembly updated 5 / 90
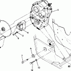
  • W908127 TRAIL BOSS 4X4 Картер
    Картер
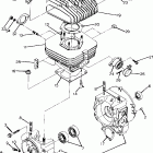
  • W908127 TRAIL BOSS 4X4 Карбюратор
    Карбюратор
  • W908127 TRAIL BOSS 4X4 Фара
    Фара
  • W908127 TRAIL BOSS 4X4 Clutch cover assembly
    Clutch cover assembly
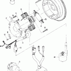
  • W908127 TRAIL BOSS 4X4 Магнето
    Магнето
  • W908127 TRAIL BOSS 4X4 Control assembly updated 5 / 90
    Control assembly updated 5 / 90
  • W908127 TRAIL BOSS 4X4 Маслянный насос
    Маслянный насос
  • W908127 TRAIL BOSS 4X4 Crankcase and cylinder assembly
    Crankcase and cylinder assembly
  • W908127 TRAIL BOSS 4X4 Rear brake assembly
    Rear brake assembly
  • W908127 TRAIL BOSS 4X4 Коленчатый вал и поршни
    Коленчатый вал и поршни
  • W908127 TRAIL BOSS 4X4 Rear wheel drive assembly
    Rear wheel drive assembly
  • W908127 TRAIL BOSS 4X4 Details-front drive assembly center tightener assembly-p...
    Details-front drive assembly center tightener assembly-p...
  • W908127 TRAIL BOSS 4X4 Ручной стартер
    Ручной стартер
  • W908127 TRAIL BOSS 4X4 Details-front drive assembly front tightener assembly
    Details-front drive assembly front tightener assembly
  • W908127 TRAIL BOSS 4X4 Right hand chain cover assembly
    Right hand chain cover assembly
  • W908127 TRAIL BOSS 4X4 Вариатор
    Вариатор
  • W908127 TRAIL BOSS 4X4 Right hand gearcase and brake mounting updated 5 / 90
    Right hand gearcase and brake mounting updated 5 / 90
  • W908127 TRAIL BOSS 4X4 Driven clutch assembly
    Driven clutch assembly
  • W908127 TRAIL BOSS 4X4 Shift linkage assembly updated 5 / 90
    Shift linkage assembly updated 5 / 90
  • W908127 TRAIL BOSS 4X4 Engine and muffler mounting
    Engine and muffler mounting
  • W908127 TRAIL BOSS 4X4 Starting motor assembly   updated 5 / 90
    Starting motor assembly updated 5 / 90
  • W908127 TRAIL BOSS 4X4 Frame assembly with racks updated 5 / 90
    Frame assembly with racks updated 5 / 90
  • W908127 TRAIL BOSS 4X4 Steering assembly updated 5 / 90
    Steering assembly updated 5 / 90
  • W908127 TRAIL BOSS 4X4 Front brake assembly
    Front brake assembly
  • W908127 TRAIL BOSS 4X4 Strut assembly updated 5 / 90
    Strut assembly updated 5 / 90
  • W908127 TRAIL BOSS 4X4 Front drive assembly
    Front drive assembly
  • W908127 TRAIL BOSS 4X4 Swing arm weldment and rear shock assembly
    Swing arm weldment and rear shock assembly
  • W908127 TRAIL BOSS 4X4 Front wheel assembly 4x4
    Front wheel assembly 4x4
  • W908127 TRAIL BOSS 4X4 Tool kit assembly
    Tool kit assembly
  • W908127 TRAIL BOSS 4X4 Электрика
    Электрика


  Информация
  • Новости
  • О Компании
  • Оплата и Доставка
  • Помощь
  • Обратная связь
  • Контакты
  OEM запчасти
  • Запчасти для мотоциклов
  • Запчасти для квадроциклов
  • Запчасти для снегоходов
  • Запчасти для мотовездеходов
  • Запчасти для гидроциклов
  • Запчасти для лодочных моторов
  Наши контакты
  • ИП Зуев Артем Павлович
  • г. Москва 2-я Хуторская улица, д.29, офис 214
  • Email: info@partsfor.ru

Тел: ‎8(495) 532-03-60
8(909) 958-46-33; 8(925) 200-16-98

* все разговоры записываются
С 10.00 до 19.00 ПН - ПТ

© 2026 Интернет магазин запчастей для мототехники ПартсФор.

  • PaymentGateway
  • PaymentGateway
Договор-оферта
Образец договора для юр.лиц
Пользовательское соглашение
Политика конфиденциальности

Товар добавлен в корзину

Выбранный товар добавлен в Вашу корзину.
Далее Вы можете перейти в корзину для оформления заказа или закрыть это окно и продолжить покупки.

Перейти в корзину

Выбор модели техники

Выбрать