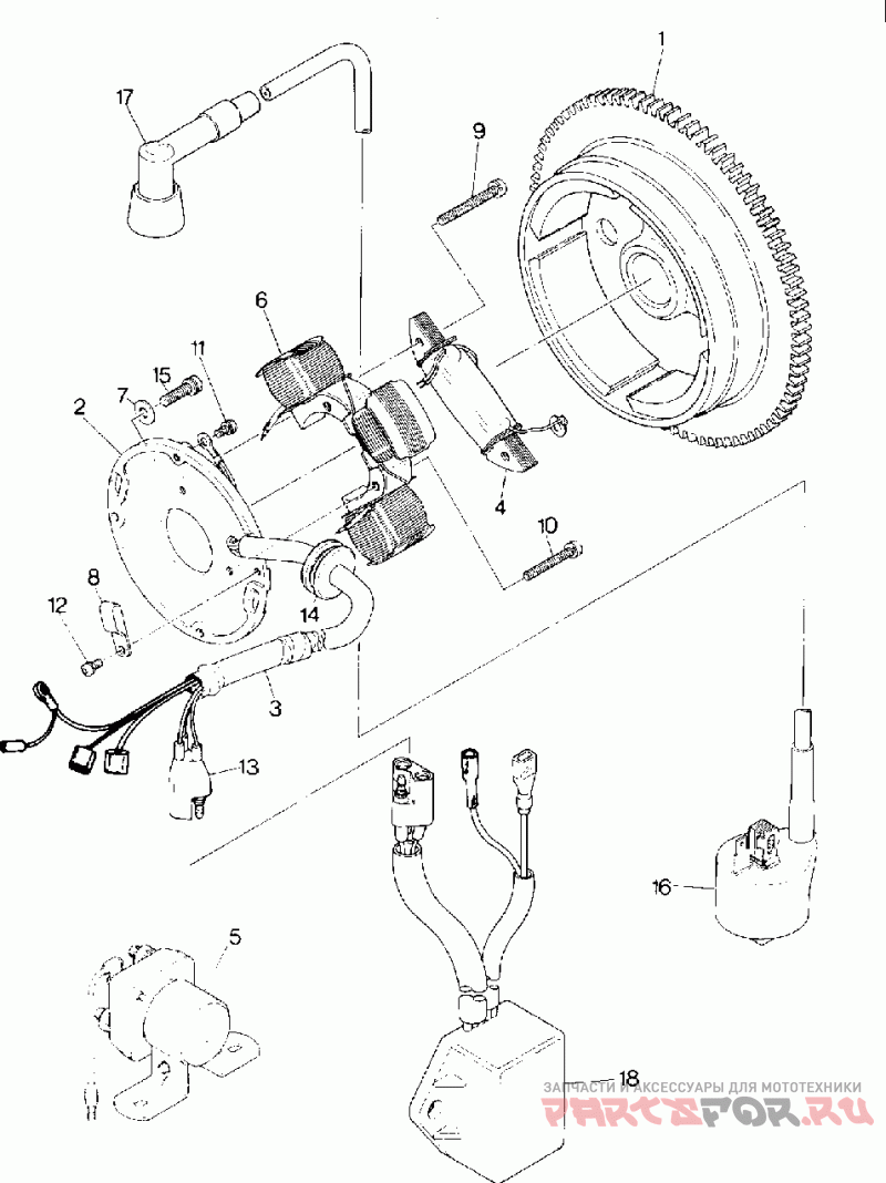
Магнето

Polaris W907527 TRAIL BOSS 2X4

Polaris
#oem кодцена
1
3083979
Деталь Plate Asm. (incl. 2-6, 8-14, 20)
1
3083939
Деталь Flywheel, W/ring Gear
2
3083634
Деталь Plate, Coil
3
3083978
Жгут проводов
4
3083422
Деталь Coil, Exciting
5
4011335
Деталь Switch-magnetic
6
3083976
Деталь Coil, Light(stator 1)
7
3083357
Шайба
8
3081296
Зажим
9
3083423
Деталь Asm., Screw & Washer
10
3083736
Винт с шайбой (отпуск.по 10шт)
11
3081256
Деталь Screw&washer Asm(10)
12
3081260
Деталь Asm., Screw&washer(10)
13
3083909
Муфта сцепления
14
3083773
Уплотнитель
15
3086788
Деталь Screw & Washer
16
3083923
Деталь Coil, Ignition *
18
3083977
Деталь Cdi Unit *