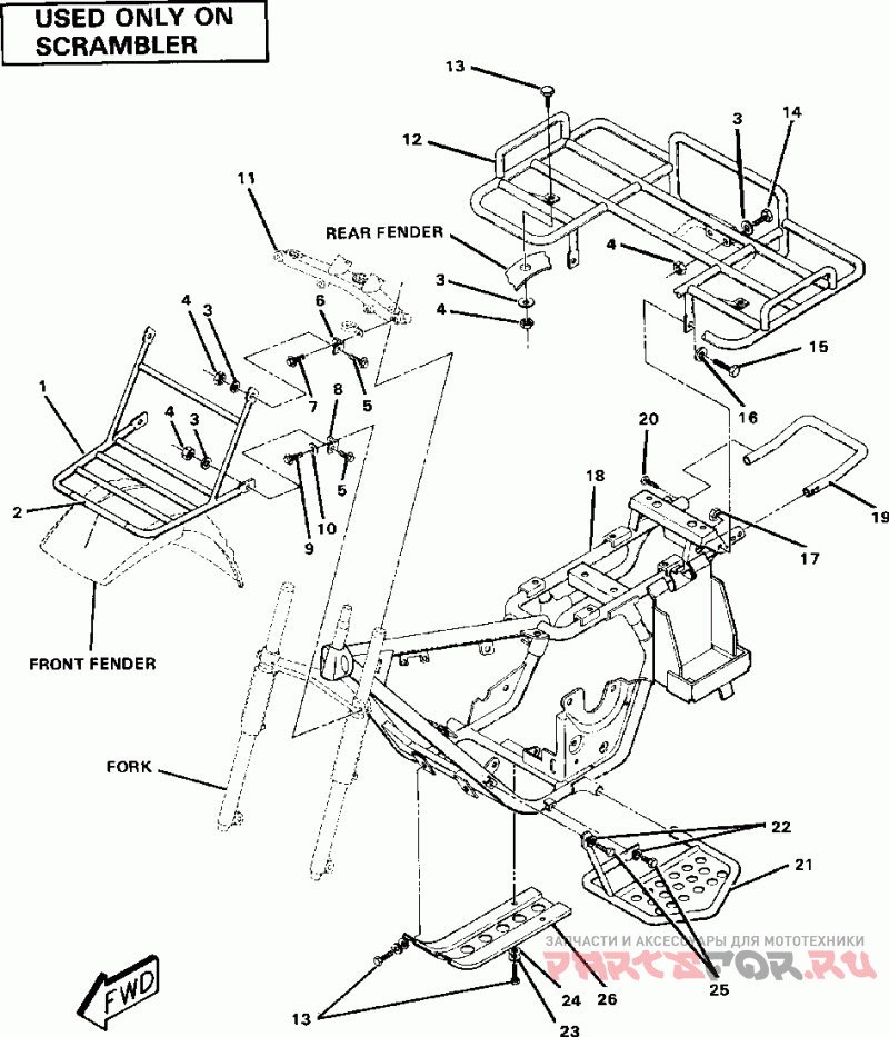
Frame assembly with racks-scrambler
Polaris W867527 TRAIL BOSS
| # | oem код | название | цена |
|---|---|---|---|
3 | 7558302 Шайба | Шайба | |
4 | 7542122 Гайка (отпускается по 10шт) | Гайка (отпускается по 10шт) | |
13 | 7512269 Болт | Болт | |
15 | 7512310 Винт (отпускается по 10шт.) | Винт (отпускается по 10шт.) | |
16 | 7558403 Шайба | Шайба | |
17 | 7542327 Гайка | Гайка | |
22 | 7552901 Шайба (отпускается по 10 шт) | Шайба (отпускается по 10 шт) | |
23 | 7552801 Шайба (отпускается по 10 шт) | Шайба (отпускается по 10 шт) | |
25 | 7512315 Болт | Болт |
