Bayou 250 (KLF250-A9F) (2009)

Оригинальные запчасти для квадроциклов Kawasaki

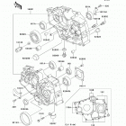
Выбор узла

Bayou 250 (KLF250-A9F) (2009)