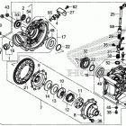
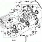
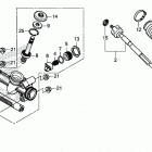
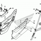
SXS1000M5D 2A (2021)

Оригинальные запчасти для квадроциклов Honda

Выбор узла

SXS1000M5D 2A (2021)