TRX420FA2 (2017)

Оригинальные запчасти для квадроциклов Honda

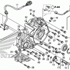
Выбор узла

TRX420FA2 (2017)