• О Компании
  • Оплата и Доставка
  • Помощь
  • Обратная связь
  • Контакты
  • Telegram
  • ВКонтакте
  • Telegram
  • ВКонтакте
  • Регистрация
  • Авторизация
Интернет магазин мотозапчастей PartsFor.ru
Москва и регионы России
  • Личный кабинет
    • Заказы
    • Оплаты
    • Отгрузки
    • Сообщения
    • Профиль
    • Выход
  • Оригинальные запчасти
    • Для мотоциклов
    • Yamaha
    • Honda
    • Suzuki
    • Kawasaki
    • Harley Davidson
    • Ducati
    • Can-Am
    • Aprilia
    • BMW
    • Triumph
    • Husaberg
    • Husqvarna
    • KTM
    • Indian
    • Victory
    • Slingshot
    • Для мотоциклов
    • Для квадроциклов
    • Для снегоходов
    • Для мотовездеходов
    • Для гидроциклов
    • Для лодочных моторов
    • Для катеров
    • Для судовых двигателей
    • Для генераторов
    • Для квадроциклов
    • Yamaha
    • Honda
    • Suzuki
    • Kawasaki
    • Arctic Cat
    • Can-Am
    • Polaris
    • KTM
    • Для снегоходов
    • Yamaha
    • Arctic Cat
    • Lynx
    • Ski-Doo
    • Polaris
    • Для генераторов
    • Для мотовездеходов
    • Yamaha
    • Honda
    • Suzuki
    • Kawasaki
    • Arctic Cat
    • Can-Am
    • Polaris
    • Polaris RZR
    • Для гидроциклов
    • Yamaha
    • Honda Marine
    • Kawasaki
    • Arctic Cat
    • Polaris
    • Sea-Doo
    • Для лодочных моторов
    • Для катеров
    • Для суд. двигателей
    • Для генераторов
    • Для лодочных моторов
    • Yamaha
    • Honda Marine
    • Suzuki Marine
    • Evinrude
    • Johnson
    • Nissan
    • Tohatsu
    • Mercury
    • Force
    • Mariner
    • Для катеров
    • Yamaha
    • Sea-Doo
    • Для суд. двигателей
    • Для спецтехники
  • Неоригинал, расходники
  • Заказ по каталогам
    • КАТАЛОГ PARTS UNLIMITED
  • Моторезина
  1. Главная
  2. Запчасти для квадроциклов
  3. Honda
  4. 1985
  5. ATC200X

ATC200X (1985)

Оригинальные запчасти для квадроциклов Honda

Выбор узла

ATC200X (1985)
  • ATC200X Воздухозаборник
    Воздухозаборник
  • ATC200X Gearshift drum @ gearshift fork
    Gearshift drum @ gearshift fork
  • ATC200X Цепь ГРМ и натяжитель
    Цепь ГРМ и натяжитель
  • ATC200X Руль и панель переднего номера
    Руль и панель переднего номера
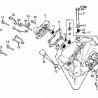
  • ATC200X Распредвал и клапана
    Распредвал и клапана
  • ATC200X Фара
    Фара
  • ATC200X Карбюратор
    Карбюратор
  • ATC200X Кик стартер
    Кик стартер
  • ATC200X Сцепление
    Сцепление
  • ATC200X Генератор и крышка
    Генератор и крышка
  • ATC200X Control levers @ switches  @ cables
    Control levers @ switches @ cables
  • ATC200X Глушитель
    Глушитель
  • ATC200X Картер
    Картер
  • ATC200X Oil pump @ oil filter
    Oil pump @ oil filter
  • ATC200X Коленвал и поршни
    Коленвал и поршни
  • ATC200X Генератор
    Генератор
  • ATC200X Цилиндр
    Цилиндр
  • ATC200X Задний суппорт тормозной
    Задний суппорт тормозной
  • ATC200X Головка цилиндра
    Головка цилиндра
  • ATC200X Задний тормозной цилидр
    Задний тормозной цилидр
  • ATC200X Footpegs @ brake pedal  @ gearshift pedal
    Footpegs @ brake pedal @ gearshift pedal
  • ATC200X Задний амортизатор
    Задний амортизатор
  • ATC200X Рама
    Рама
  • ATC200X Заднее колесо
    Заднее колесо
  • ATC200X Передний тормозной суппорт
    Передний тормозной суппорт
  • ATC200X Ось заднее колесо
    Ось заднее колесо
  • ATC200X Главный тормозной цилиндр - передний
    Главный тормозной цилиндр - передний
  • ATC200X Крышка картера правая
    Крышка картера правая
  • ATC200X Переднее крыло
    Переднее крыло
  • ATC200X Seat @ rear fender
    Seat @ rear fender
  • ATC200X Передние аммортизаторы
    Передние аммортизаторы
  • ATC200X Траверса нижняя
    Траверса нижняя
  • ATC200X Переднее колесо
    Переднее колесо
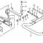
  • ATC200X Swingarm @ engine protector 84-85
    Swingarm @ engine protector 84-85
  • ATC200X Топливный бак
    Топливный бак
  • ATC200X Фонарь задний
    Фонарь задний
  • ATC200X Fuel tank labels
    Fuel tank labels
  • ATC200X Tool box
    Tool box
  • ATC200X Комплекты прокладок A
    Комплекты прокладок A
  • ATC200X Инструмент
    Инструмент
  • ATC200X Комплект прокладок B
    Комплект прокладок B
  • ATC200X Трансмиссия
    Трансмиссия


  Информация
  • Новости
  • О Компании
  • Оплата и Доставка
  • Помощь
  • Обратная связь
  • Контакты
  OEM запчасти
  • Запчасти для мотоциклов
  • Запчасти для квадроциклов
  • Запчасти для снегоходов
  • Запчасти для мотовездеходов
  • Запчасти для гидроциклов
  • Запчасти для лодочных моторов
  Наши контакты
  • ИП Зуев Артем Павлович
  • г. Москва 2-я Хуторская улица, д.29, офис 214
  • Email: info@partsfor.ru

Тел: ‎8(495) 532-03-60
8(909) 958-46-33; 8(925) 200-16-98

* все разговоры записываются
С 10.00 до 19.00 ПН - ПТ

© 2026 Интернет магазин запчастей для мототехники ПартсФор.

  • PaymentGateway
  • PaymentGateway
Договор-оферта
Образец договора для юр.лиц
Пользовательское соглашение
Политика конфиденциальности

Товар добавлен в корзину

Выбранный товар добавлен в Вашу корзину.
Далее Вы можете перейти в корзину для оформления заказа или закрыть это окно и продолжить покупки.

Перейти в корзину

Выбор модели техники

Выбрать