• О Компании
  • Оплата и Доставка
  • Помощь
  • Обратная связь
  • Контакты
  • Telegram
  • ВКонтакте
  • Telegram
  • ВКонтакте
  • Регистрация
  • Авторизация
Интернет магазин мотозапчастей PartsFor.ru
Москва и регионы России
  • Личный кабинет
    • Заказы
    • Оплаты
    • Отгрузки
    • Сообщения
    • Профиль
    • Выход
  • Оригинальные запчасти
    • Для мотоциклов
    • Yamaha
    • Honda
    • Suzuki
    • Kawasaki
    • Harley Davidson
    • Ducati
    • Can-Am
    • Aprilia
    • BMW
    • Triumph
    • Husaberg
    • Husqvarna
    • KTM
    • Indian
    • Victory
    • Slingshot
    • Для мотоциклов
    • Для квадроциклов
    • Для снегоходов
    • Для мотовездеходов
    • Для гидроциклов
    • Для лодочных моторов
    • Для катеров
    • Для судовых двигателей
    • Для генераторов
    • Для квадроциклов
    • Yamaha
    • Honda
    • Suzuki
    • Kawasaki
    • Arctic Cat
    • Can-Am
    • Polaris
    • KTM
    • Для снегоходов
    • Yamaha
    • Arctic Cat
    • Lynx
    • Ski-Doo
    • Polaris
    • Для генераторов
    • Для мотовездеходов
    • Yamaha
    • Honda
    • Suzuki
    • Kawasaki
    • Arctic Cat
    • Can-Am
    • Polaris
    • Polaris RZR
    • Для гидроциклов
    • Yamaha
    • Honda Marine
    • Kawasaki
    • Arctic Cat
    • Polaris
    • Sea-Doo
    • Для лодочных моторов
    • Для катеров
    • Для суд. двигателей
    • Для генераторов
    • Для лодочных моторов
    • Yamaha
    • Honda Marine
    • Suzuki Marine
    • Evinrude
    • Johnson
    • Nissan
    • Tohatsu
    • Mercury
    • Force
    • Mariner
    • Для катеров
    • Yamaha
    • Sea-Doo
    • Для суд. двигателей
    • Для спецтехники
  • Неоригинал, расходники
  • Заказ по каталогам
    • КАТАЛОГ PARTS UNLIMITED
  • Моторезина
  1. Главная
  2. Запчасти для квадроциклов
  3. Honda
  4. 1984
  5. ATC125M

ATC125M (1984)

Оригинальные запчасти для квадроциклов Honda

Выбор узла

ATC125M (1984)
  • ATC125M Воздухозаборник
    Воздухозаборник
  • ATC125M Фара
    Фара
  • ATC125M Цепь ГРМ и натяжитель
    Цепь ГРМ и натяжитель
  • ATC125M Left cover spacer @ sub transmission cover
    Left cover spacer @ sub transmission cover
  • ATC125M Распредвал и клапана
    Распредвал и клапана
  • ATC125M Генератор и крышка
    Генератор и крышка
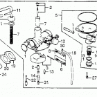
  • ATC125M Карбюратор
    Карбюратор
  • ATC125M Руководство по эксплуатации
    Руководство по эксплуатации
  • ATC125M Сцепление
    Сцепление
  • ATC125M Глушитель
    Глушитель
  • ATC125M Control levers @ cables  @ swtiches
    Control levers @ cables @ swtiches
  • ATC125M Генератор
    Генератор
  • ATC125M Crankcase @ oil pump
    Crankcase @ oil pump
  • ATC125M Rear brake drum
    Rear brake drum
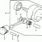
  • ATC125M Коленвал и поршни
    Коленвал и поршни
  • ATC125M Заднее крыло
    Заднее крыло
  • ATC125M Крышка головки цилиндров
    Крышка головки цилиндров
  • ATC125M Заднее колесо
    Заднее колесо
  • ATC125M Цилиндр и головка цилиндра
    Цилиндр и головка цилиндра
  • ATC125M Rear wheel axle @ chain case
    Rear wheel axle @ chain case
  • ATC125M Footpegs @ gearshift pedal  @ brake pedal
    Footpegs @ gearshift pedal @ brake pedal
  • ATC125M Ручной стартер
    Ручной стартер
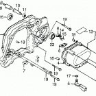
  • ATC125M Рама
    Рама
  • ATC125M Крышка картера правая
    Крышка картера правая
  • ATC125M Передний тормоз
    Передний тормоз
  • ATC125M Вилки и валы выбора передач
    Вилки и валы выбора передач
  • ATC125M Front fender @ front fork
    Front fender @ front fork
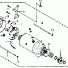
  • ATC125M Стартер
    Стартер
  • ATC125M Переднее колесо
    Переднее колесо
  • ATC125M Трансмиссия
    Трансмиссия
  • ATC125M Fuel tank @ seat
    Fuel tank @ seat
  • ATC125M Taillight @ carrier rack
    Taillight @ carrier rack
  • ATC125M Комплекты прокладок A
    Комплекты прокладок A
  • ATC125M Инструмент
    Инструмент
  • ATC125M Комплект прокладок B
    Комплект прокладок B
  • ATC125M Трансмиссия
    Трансмиссия
  • ATC125M Руль и панель переднего номера
    Руль и панель переднего номера
  • ATC125M Wire harness @ coil @ battery
    Wire harness @ coil @ battery


  Информация
  • Новости
  • О Компании
  • Оплата и Доставка
  • Помощь
  • Обратная связь
  • Контакты
  OEM запчасти
  • Запчасти для мотоциклов
  • Запчасти для квадроциклов
  • Запчасти для снегоходов
  • Запчасти для мотовездеходов
  • Запчасти для гидроциклов
  • Запчасти для лодочных моторов
  Наши контакты
  • ИП Зуев Артем Павлович
  • г. Москва 2-я Хуторская улица, д.29, офис 214
  • Email: info@partsfor.ru

Тел: ‎8(495) 532-03-60
8(909) 958-46-33; 8(925) 200-16-98

* все разговоры записываются
С 10.00 до 19.00 ПН - ПТ

© 2026 Интернет магазин запчастей для мототехники ПартсФор.

  • PaymentGateway
  • PaymentGateway
Договор-оферта
Образец договора для юр.лиц
Пользовательское соглашение
Политика конфиденциальности

Товар добавлен в корзину

Выбранный товар добавлен в Вашу корзину.
Далее Вы можете перейти в корзину для оформления заказа или закрыть это окно и продолжить покупки.

Перейти в корзину

Выбор модели техники

Выбрать