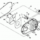
4- DS 250 (2018)

Оригинальные запчасти для квадроциклов Can-Am (Bombardier)

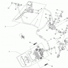
Выбор узла

4- DS 250 (2018)