Outlander - Outlander MAX 450-570 (2017)

Оригинальные запчасти для квадроциклов Can-Am (Bombardier)

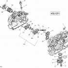
Выбор узла

Outlander - Outlander MAX 450-570 (2017)