DS 650 X (2006)

Оригинальные запчасти для квадроциклов Can-Am (Bombardier)

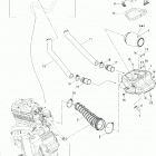
Выбор узла

DS 650 X (2006)