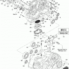
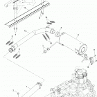
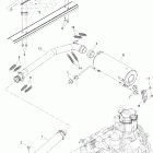
Traxter XL (2005)

Оригинальные запчасти для квадроциклов Can-Am (Bombardier)

Выбор узла

Traxter XL (2005)